GM Service Manual Online
For 1990-2009 cars only
Makes
🢒
Cadillac
🢒
2007
🢒
Escalade EXT
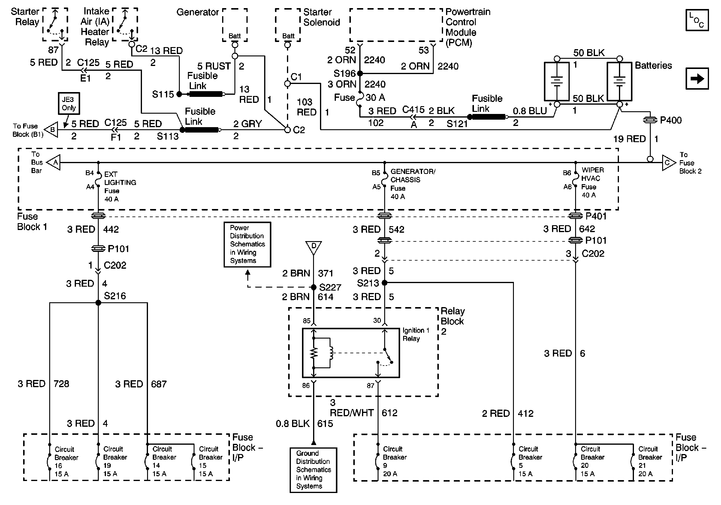
🢒 (LG5) Batteries, Fuse Block 1, EXT LIGHTING, GENERATOR/CHASSIS, WIPER/HVAC Fuses
(LG5) Batteries, Fuse Block 1, EXT LIGHTING, GENERATOR/CHASSIS, WIPER/HVAC Fuses
(LG5) Batteries,Fuse Block 1, EXT LIGHTING, GENERATOR/CHASSIS, WIPER/HVAC Fuses
Master Electrical Component List
(LG4) Batteries, Fuse Block 1, EXT LIGHTING, GENERATOR/CHASSIS, WIPER/HVAC Fuses
IP Fuse Block, Circuit Breaker 6 (1 of 3)
G105 Continued, S323, S337, S339, S357, S358
Fuse Block 1, BRK BOOST MTR, COMPUTER/PRKBRK/ENG CONTROL, AUX Fuses
Fuse Block 1, BRK BOOST MTR, COMPUTER/PRKBRK/ENG CONTROL, AUX Fuses
Fuse Block 2, IGNITION, ABS MODULE (JE3), ABS RLY (JE5), TRAILER STOPRLYS, PARK BRK MTR Fuses
Fuse Block 2, 2 SPEED AXLE, HVAC, TURN SIG Fuses