GM Service Manual Online
For 1990-2009 cars only
Makes
🢒
Cadillac
🢒
2007
🢒
Escalade EXT
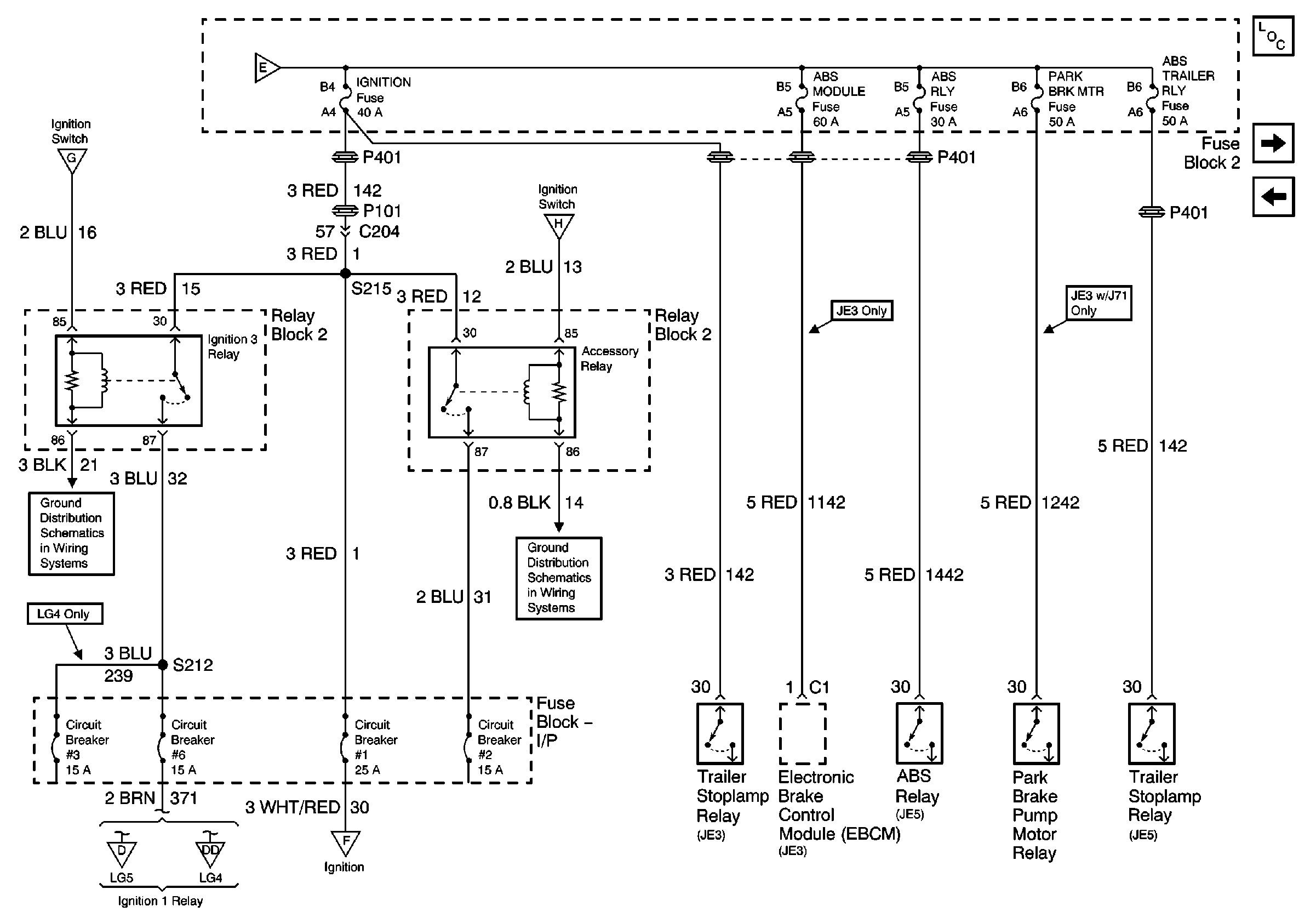
🢒 Fuse Block 2, IGNITION, ABS MODULE (JE3), ABS RLY (JE5), TRAILER STOPRLYS, PARK BRK MTR Fuses
Fuse Block 2, IGNITION, ABS MODULE (JE3), ABS RLY (JE5), TRAILER STOPRLYS, PARK BRK MTR Fuses
Fuse Block 2, IGNITION, ABS MODULE (JE3), ABS RLY (JE5), TRAILER STOP RLYS, PARK BRK MTR Fuses
Master Electrical Component List
Fuse Block 1, BRK BOOST MTR, COMPUTER/PRKBRK/ENG CONTROL, AUX Fuses
(LG4) Batteries, Fuse Block 1, EXT LIGHTING, GENERATOR/CHASSIS, WIPER/HVAC Fuses
G105 Continued, S338
G105 Continued, S323, S337, S339, S357, S358
Ignition Switch
(LG5) Batteries, Fuse Block 1, EXT LIGHTING, GENERATOR/CHASSIS, WIPER/HVAC Fuses
(LG4) Batteries, Fuse Block 1, EXT LIGHTING, GENERATOR/CHASSIS, WIPER/HVAC Fuses
Fuse Block 2, 2 SPEED AXLE, HVAC, TURN SIG Fuses
Ignition Switch
Ignition Switch