GM Service Manual Online
For 1990-2009 cars only
Makes
🢒
Cadillac
🢒
2007
🢒
Escalade EXT
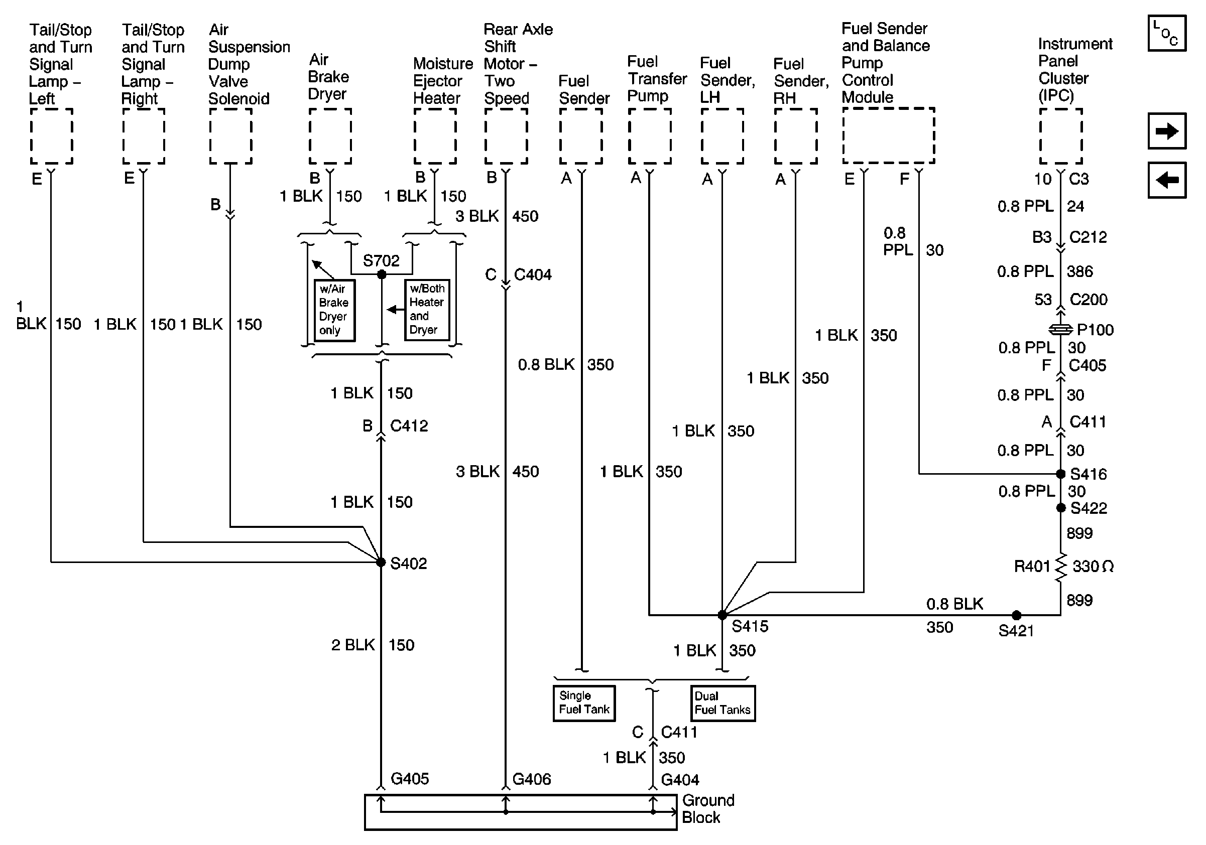
🢒 Ground Block, G404, G405, G406, S402, S415, S416, S421, S422, S702
Ground Block, G404, G405, G406, S402, S415, S416, S421, S422, S702
Ground Block, G404, G405, G406, S402, S415, S416, S421, S422, S702
Master Electrical Component List
G403, G409, S108, S120, S121, S122, S137, S150, S190, S242, S412
G105 Continued, Splice Pack 2