GM Service Manual Online
For 1990-2009 cars only
Makes
🢒
Cadillac
🢒
2007
🢒
Escalade EXT
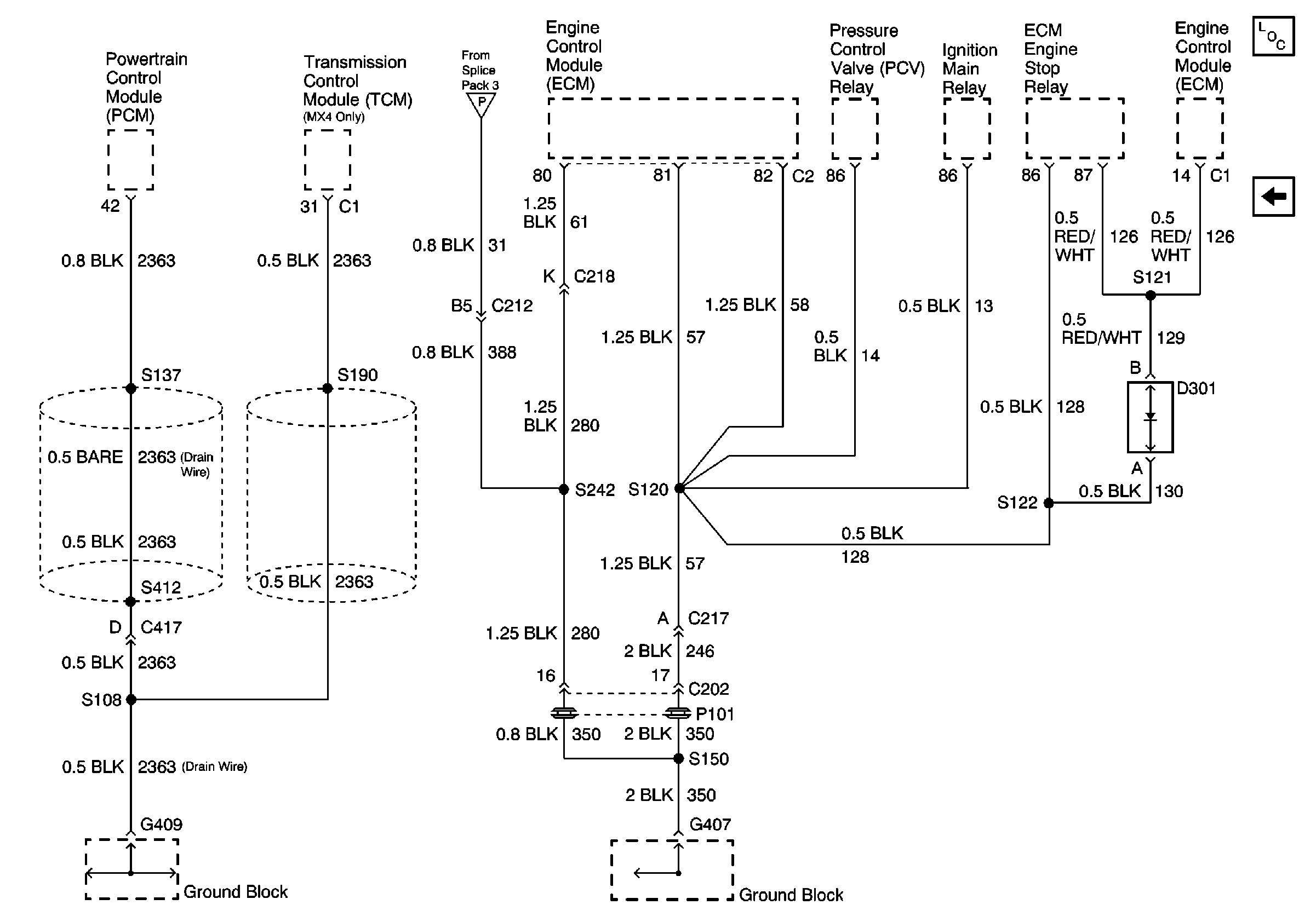
🢒 G403, G409, S108, S120, S121, S122, S137, S150, S190, S242, S412
G403, G409, S108, S120, S121, S122, S137, S150, S190, S242, S412
G403, G409, S108, S120, S121, S122, S137, S150, S190, S242, S412
Master Electrical Component List
Ground Block, G404, G405, G406, S402, S415, S416, S421, S422, S702
G105 Continued, Splice Pack 3, S361