GM Service Manual Online
For 1990-2009 cars only
Makes
🢒
Cadillac
🢒
2007
🢒
Escalade EXT
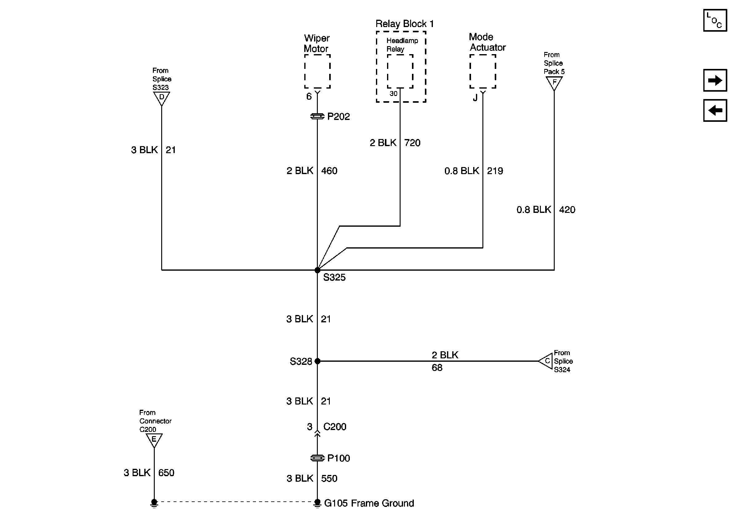
🢒 G105 S328, S325
G105 S328, S325
G105 S328, S325
Master Electrical Component List
G105 Continued, S323, S337, S339, S357, S358
G107 Continued, S107
G105 Continued, S323, S337, S339, S357, S358
G105 Continued, Splice Pack 5, S338
G105 Continued, S324, S326, S500
G105 Continued, S346, S347, S348, S363