GM Service Manual Online
For 1990-2009 cars only
Makes
🢒
Cadillac
🢒
2007
🢒
Escalade EXT
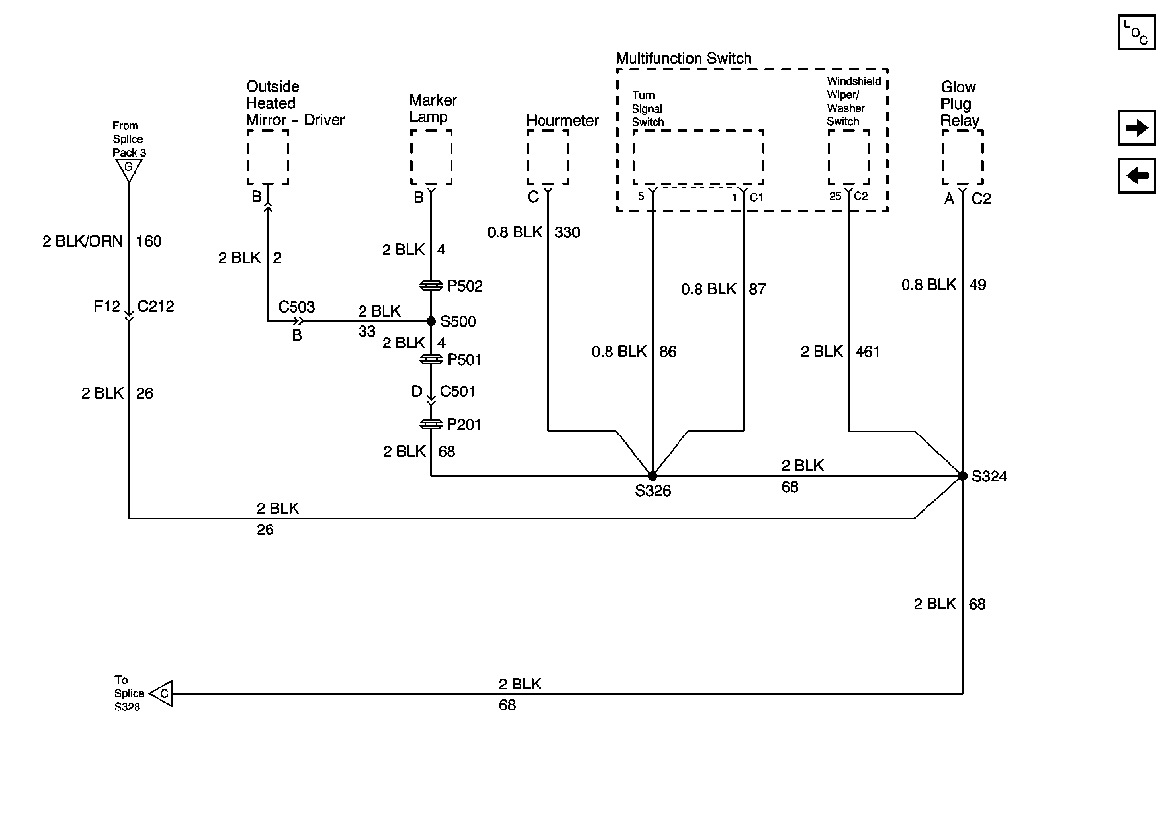
🢒 G105 Continued, S324, S326, S500
G105 Continued, S324, S326, S500
G105 Continued, S324, S326, S500
Master Electrical Component List
G105 Continued, S346, S347, S348, S363
G105 Continued, S323, S337, S339, S357, S358
G407, Splice Pack 3, S120, S121, S122, S150, S242, S361
G105 S328, S325