GM Service Manual Online
For 1990-2009 cars only
Makes
🢒
Cadillac
🢒
2007
🢒
Escalade EXT
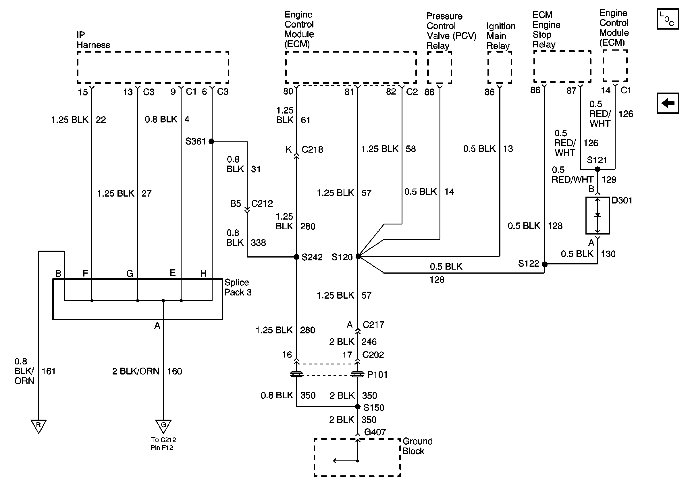
🢒 G407, Splice Pack 3, S120, S121, S122, S150, S242, S361
G407, Splice Pack 3, S120, S121, S122, S150, S242, S361
G407, Splice Pack 3, S120, S121, S122, S150, S242, S361
Master Electrical Component List
G404, G405, G406, S402, S415, S416, S421, S422, S702
Splice Pack 2
G105 Continued, S324, S326, S500