GM Service Manual Online
For 1990-2009 cars only
Makes
🢒
Cadillac
🢒
2007
🢒
Escalade EXT
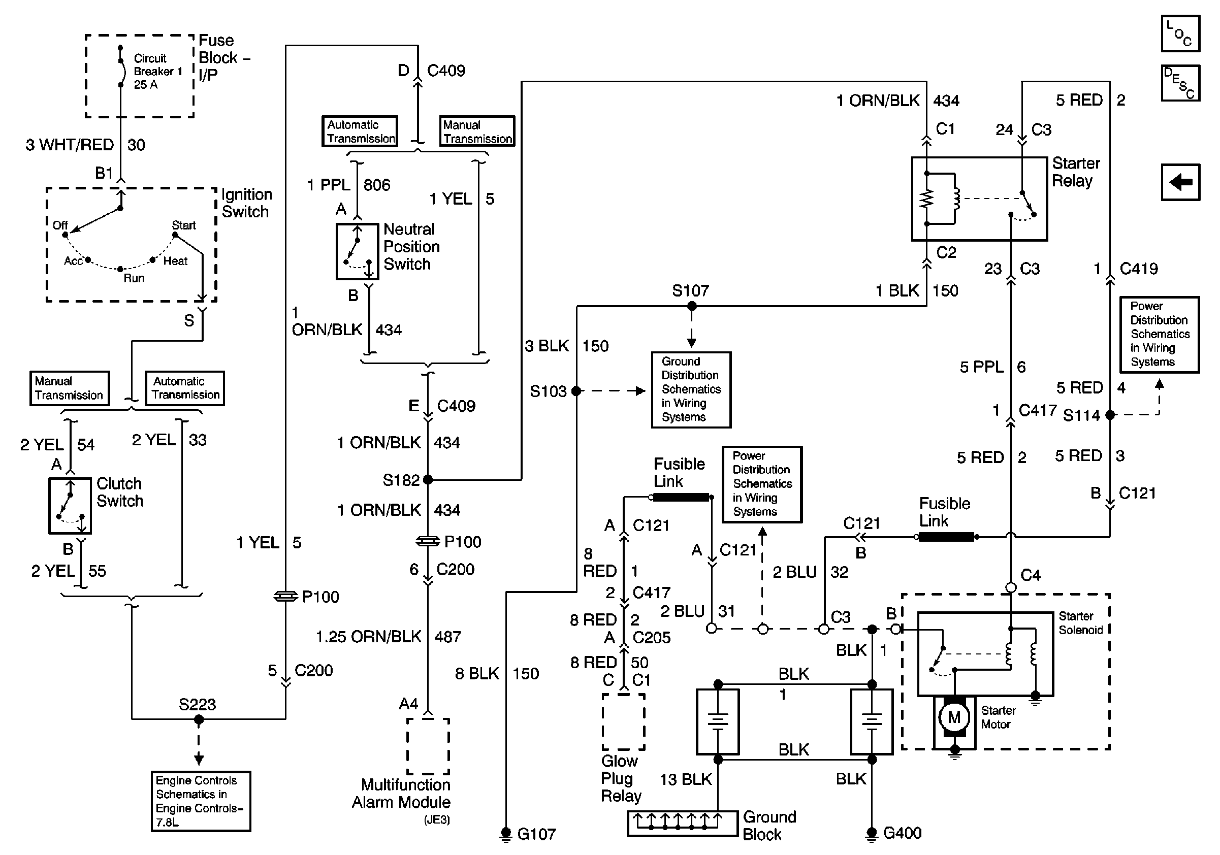
🢒 Starting Circuit
Starting Circuit
Starting Circuit
Master Electrical Component List
Starting System Description and Operation
Charging Circuit
G107 Continued, S107
(LG4) Batteries, Fuse Block 1, EXT LIGHTING, GENERATOR/CHASSIS, WIPER/HVAC Fuses
(LG4) Batteries, Fuse Block 1, EXT LIGHTING, GENERATOR/CHASSIS, WIPER/HVAC Fuses
Automatic Transmission Modulator, Fast Idle Switch, Clutch Pedal Position Switch