GM Service Manual Online
For 1990-2009 cars only
Makes
🢒
Cadillac
🢒
2007
🢒
Escalade EXT
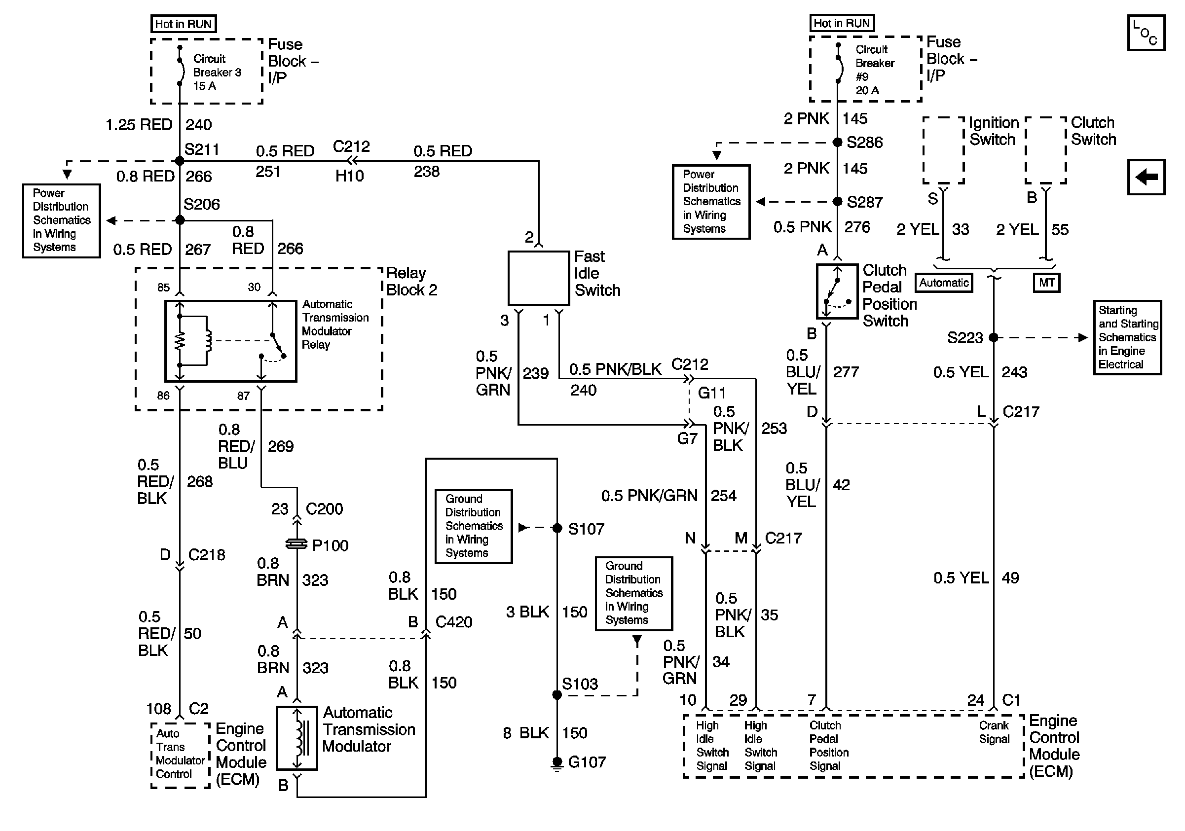
🢒 Automatic Transmission Modulator, Fast Idle Switch, Clutch Pedal Position Switch
Automatic Transmission Modulator, Fast Idle Switch, Clutch Pedal Position Switch
Automatic Transmission Modulator, Fast Idle Switch, Clutch Pedal Position Switch
Master Electrical Component List
Engine Speed, Fuel Temperature, Engine Coolant Temperature, ATM Temperature Sensors
IP Fuse Block, Circuit Breakers 1, 2, 3
G107 Continued, S107
G107, S103
IP Fuse Block, Circuit Breaker 9 (1 of 3)
Starting Circuit