GM Service Manual Online
For 1990-2009 cars only
Makes
🢒
Cadillac
🢒
2007
🢒
Escalade EXT
🢒 LG5
LG5
LG5
Master Electrical Component List
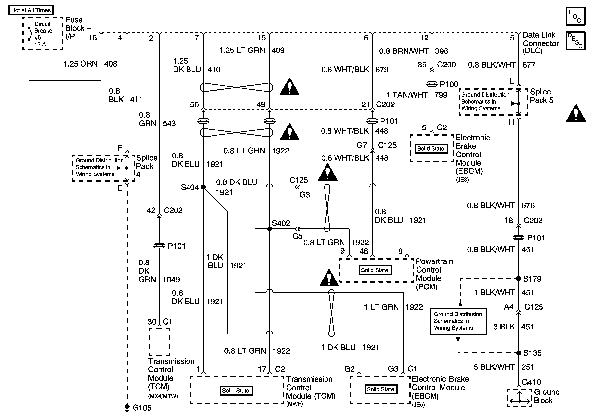
Data Link Communications Description and Operation
G105 Continued, Splice Pack 1, Splice Pack 4, S450
G105, S325, S328
G105 Continued, S346, S347, S348, S363
G105 Continued, Splice Pack 5, S242
G410, S135, S179, S407