GM Service Manual Online
For 1990-2009 cars only
Makes
🢒
Cadillac
🢒
2007
🢒
Escalade EXT
🢒 LG4
LG4
LG4
Master Electrical Component List
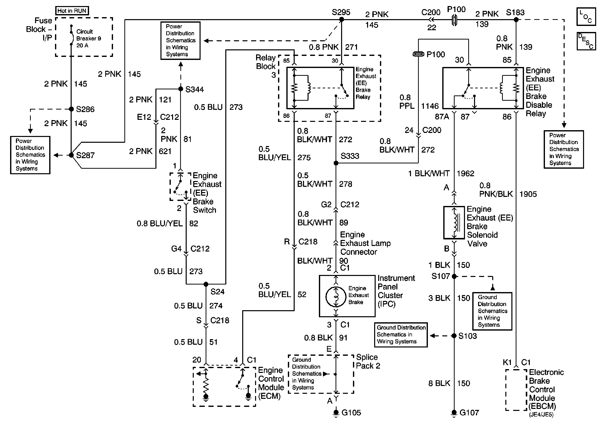
Exhaust System Description
IP Fuse Block, Circuit Breaker 9 (1 of 3)
IP Fuse Block, Circuit Breaker 9 (1 of 3)
Circuit Breaker 9 (3 of 3)
G107, S103
G107 Continued, S107