GM Service Manual Online
For 1990-2009 cars only
Makes
🢒
Cadillac
🢒
2007
🢒
Escalade EXT
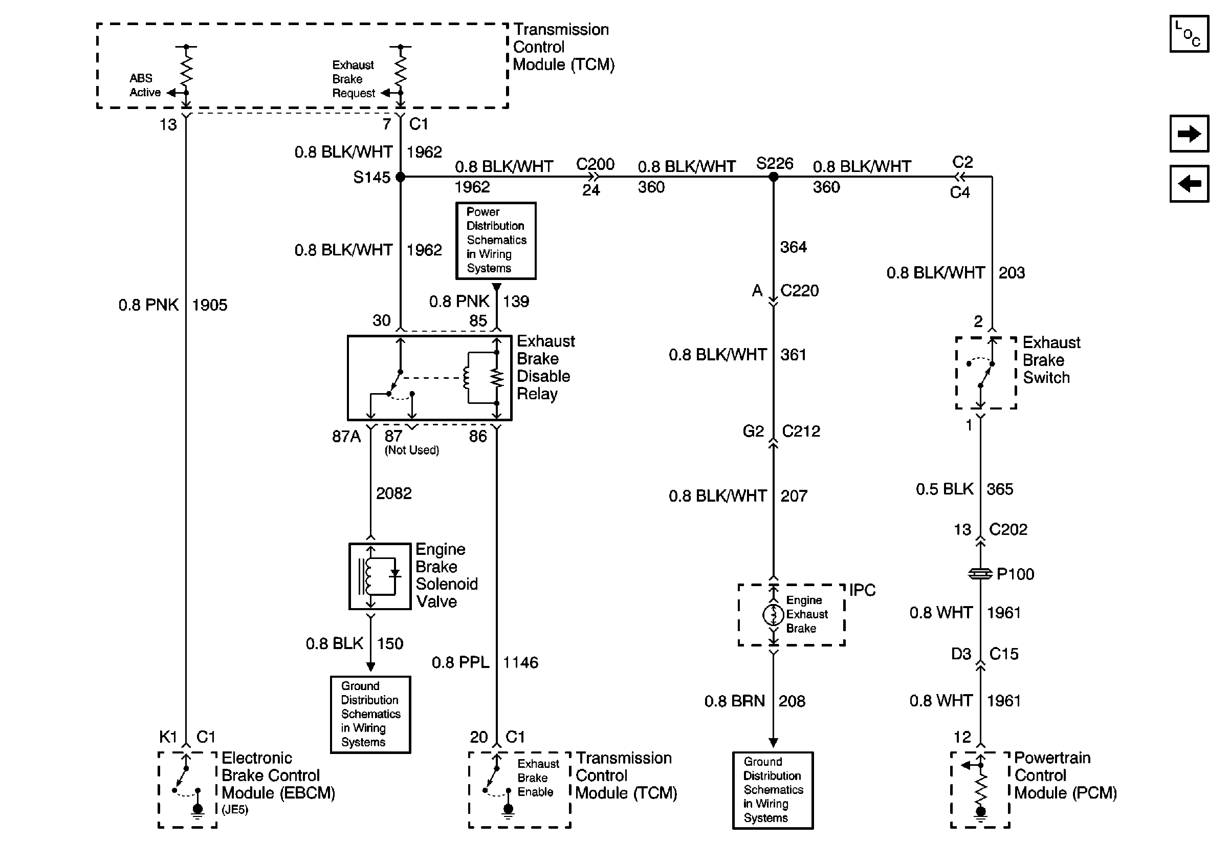
🢒 Exhaust Brake (MX4)
Exhaust Brake (MX4)
Exhaust Brake (MX4)
Master Electrical Component List
Stoplamp, Upfitter Connector and VSS (MX4)
Speed Sensors, Sump Temperature and Trans I.D. (MX4)
G107 Continued, S107
Circuit Breaker 9 (3 of 3)
G105 Continued, Splice Pack 2