GM Service Manual Online
For 1990-2009 cars only
Makes
🢒
Cadillac
🢒
2007
🢒
Escalade EXT
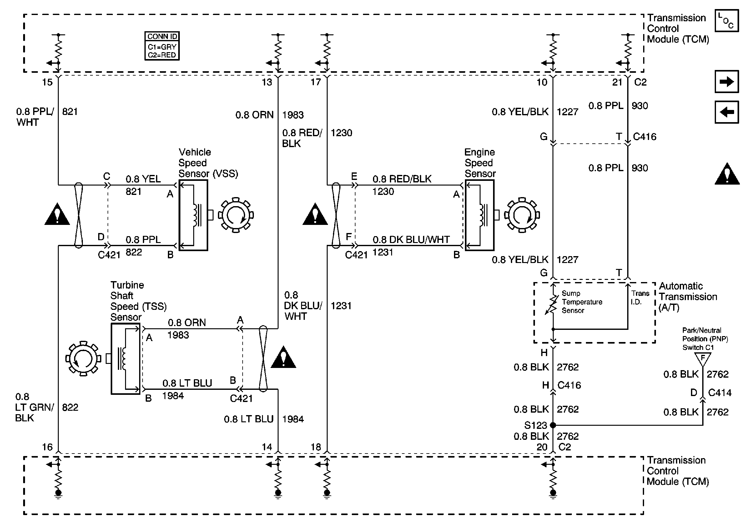
🢒 Speed Sensors, Sump Temperature and Trans I.D. (MX4)
Speed Sensors, Sump Temperature and Trans I.D. (MX4)
Speed Sensors, Sump Temperature and Trans I.D. (MX4)
Master Electrical Component List
Exhaust Brake (MX4)
Data Links (MX4)
Internal Pressure Switches and Solenoids (MX4)