GM Service Manual Online
For 1990-2009 cars only
Makes
🢒
Cadillac
🢒
2007
🢒
Escalade EXT
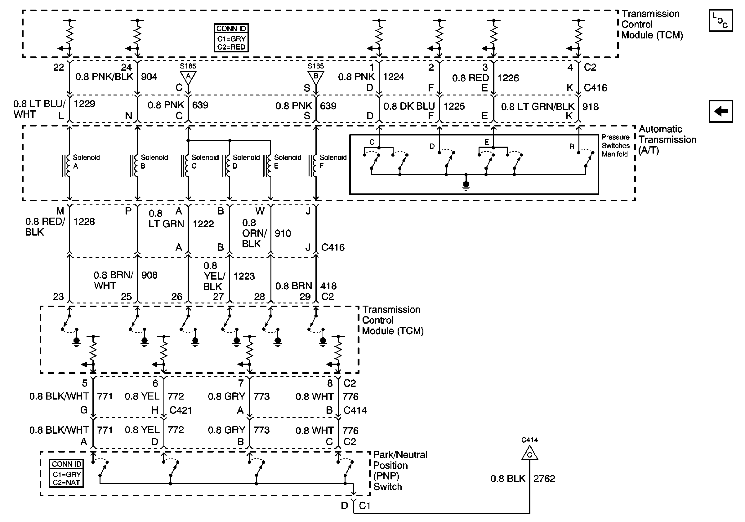
🢒 Internal Pressure Switches and Solenoids (MX4)
Internal Pressure Switches and Solenoids (MX4)
Internal Pressure Switches and Solenoids (MX4)
Master Electrical Component List
Stoplamp, Upfitter Connector and VSS (MX4)
Power and Ground, MIL (MX4)
Power and Ground, MIL (MX4)
Speed Sensors, Sump Temperature and Trans I.D. (MX4)