GM Service Manual Online
For 1990-2009 cars only
Makes
🢒
Cadillac
🢒
2007
🢒
Escalade EXT
🢒 (2 of 3)
(2 of 3)
(2 of 3)
Master Electrical Component List
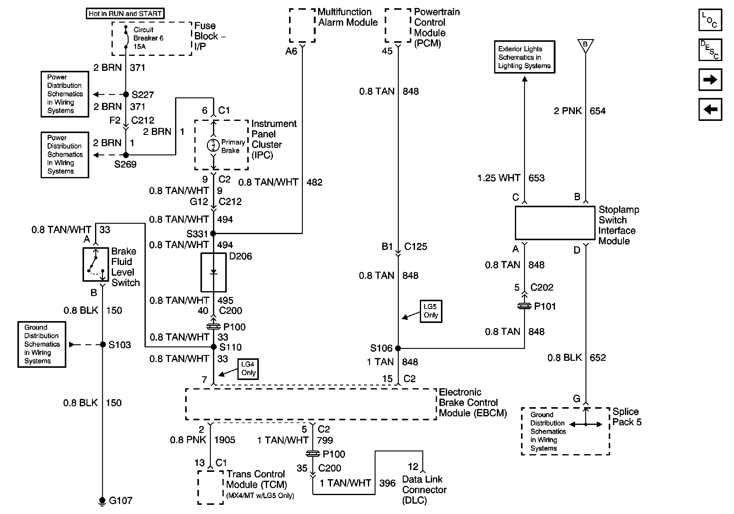
ABS Description and Operation
(3 of 3)
(1 of 3)
IP Fuse Block, Circuit Breaker 6 (1 of 3)
Circuit Breaker 6 (2 of 3)
G107, S103
G105 Continued, Splice Pack 5, S242
Hazard Flasher, Stop Lamps Switch-JE3
(1 of 3)