GM Service Manual Online
For 1990-2009 cars only
Makes
🢒
Cadillac
🢒
2007
🢒
Escalade EXT
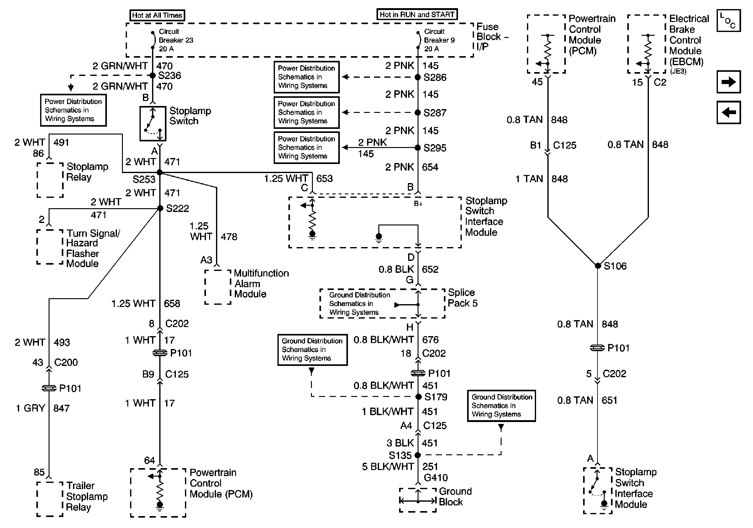
🢒 Stoplamp Switch and Stoplamp Switch Interface Module, w/JE3
Stoplamp Switch and Stoplamp Switch Interface Module, w/JE3
Stoplamp Switch and Stoplamp Switch Interface Module, w/JE3
Master Electrical Component List
Automatic Engine Shutdown, w/JE5
Air Intake Heater, Indicators
IP Fuse Block, Circuit Breakers 20, 21, 22, 23
IP Fuse Block, Circuit Breaker 9 (1 of 3)
G410, S135, S179, S407
G410, S135, S179, S407