GM Service Manual Online
For 1990-2009 cars only
Makes
🢒
Cadillac
🢒
2007
🢒
Escalade EXT
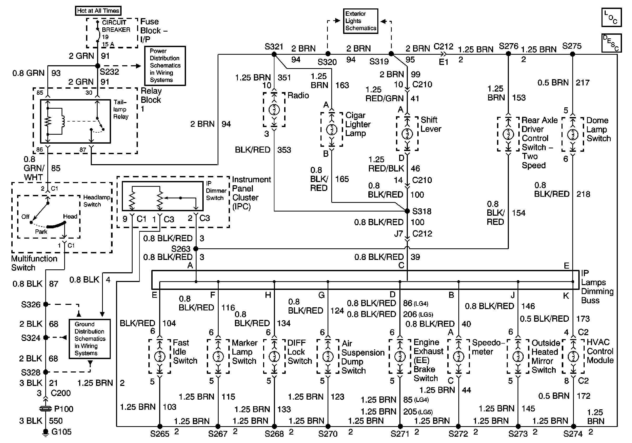
🢒 Interior Lights Dimming Schematics
Interior Lights Dimming Schematics
Master Electrical Component List
Interior Lighting Systems Description and Operation
Exterior Lamps Switch and Relays
IP Fuse Block, Circuit Breakers 16, 18, 19, 20, 21
G105 Continued, S324, S326, S500