GM Service Manual Online
For 1990-2009 cars only
Makes
🢒
Cadillac
🢒
2007
🢒
Escalade EXT
🢒 Exterior Lamps Switch and Relays
Exterior Lamps Switch and Relays
Exterior Lamps Switch and Relays
Master Electrical Component List
Exterior Lighting Systems Description and Operation
Hazard Flasher, Stop Lamps Switch-JE5
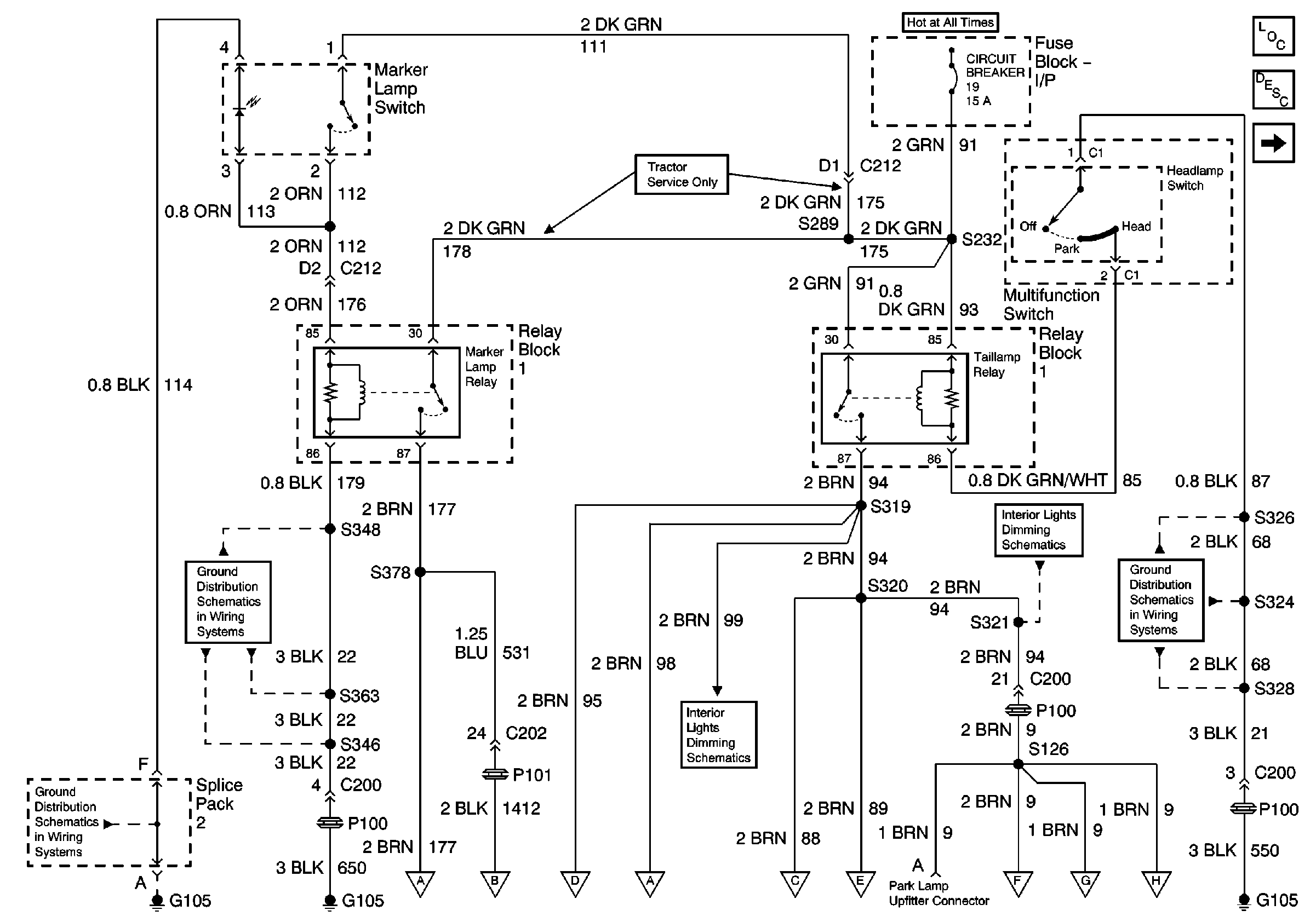
Clearance, Identification, and Marker Lamps
Trailer Wiring
Lighted Mirrors
Clearance, Identification, and Marker Lamps
Clearance, Identification, and Marker Lamps
Clearance, Identification, and Marker Lamps
Trailer Wiring
Front and Rear Lighting, IP Indicators
G105 Continued, Splice Pack 2
G105 Continued, S346, S347, S348, S363
Interior Lights Dimming Schematic
G105 Continued, S324, S326, S500