GM Service Manual Online
For 1990-2009 cars only
Makes
🢒
Cadillac
🢒
2007
🢒
Escalade EXT
🢒 Lighted Mirrors
Lighted Mirrors
Lighted Mirrors
Master Electrical Component List
Exterior Lighting Systems Description and Operation
Trailer Wiring
Clearance, Identification, and Marker Lamps
Exterior Lamps Switch and Relays
Interior Lights Dimming Schematic
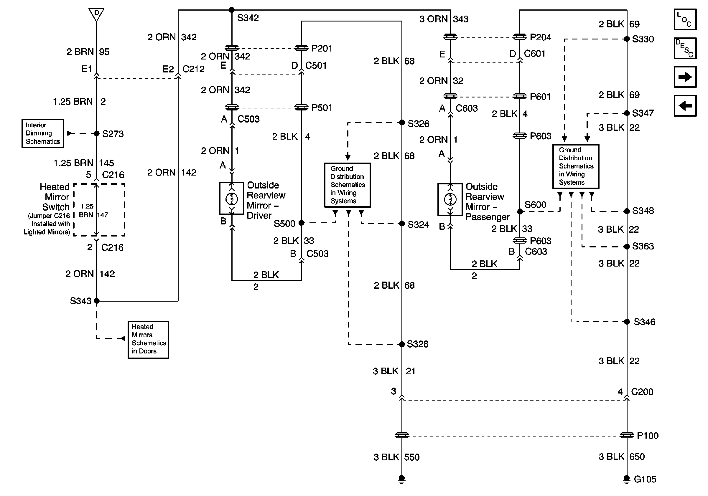
Outside Mirror Schematics
G105 Continued, S324, S326, S500
G105 Continued, S330, S345, S349, S359, S360, S600