GM Service Manual Online
For 1990-2009 cars only
Makes
🢒
Cadillac
🢒
2007
🢒
Escalade EXT
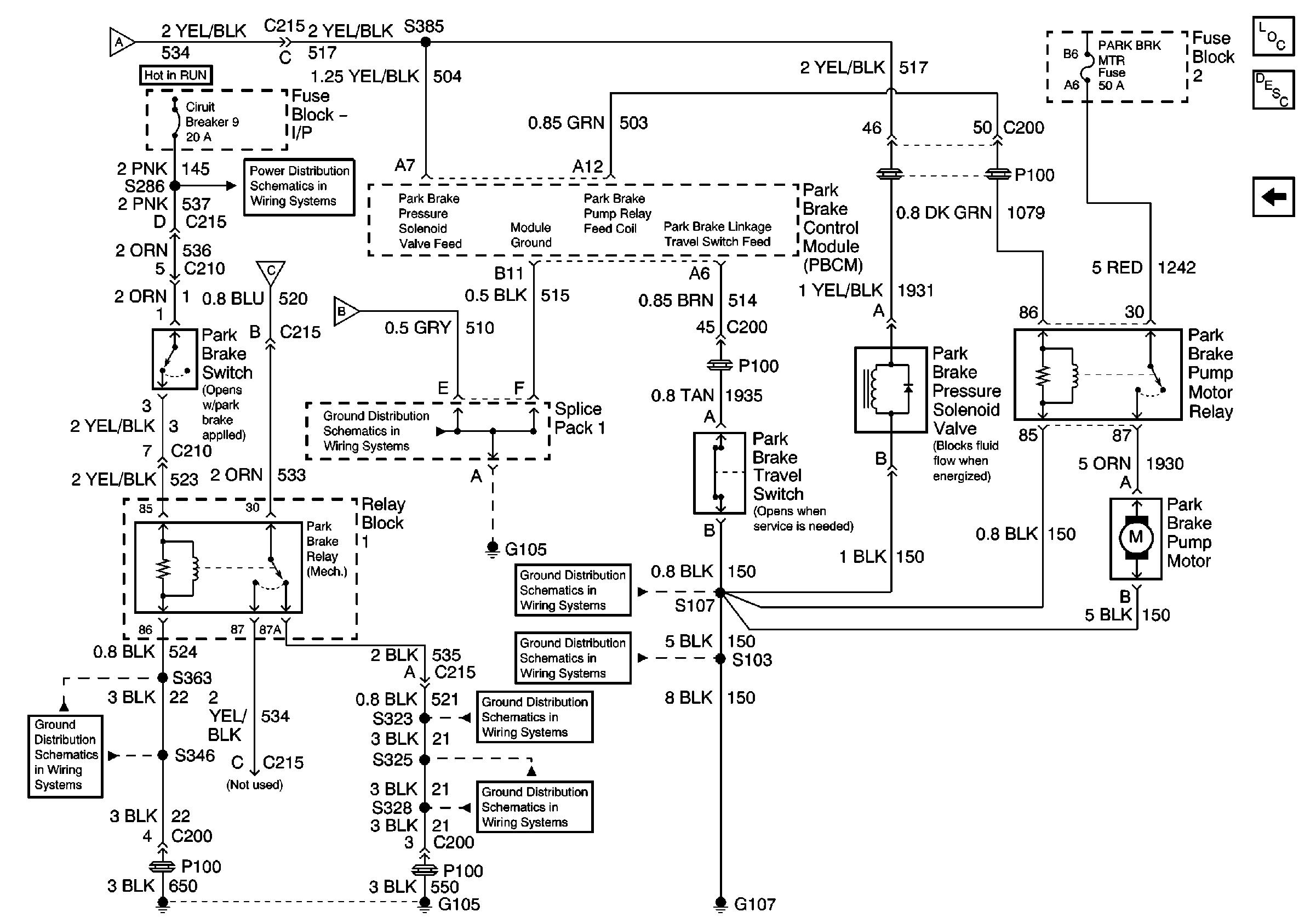
🢒 Spring Assisted Park Brake Schematics 2 of 2
Spring Assisted Park Brake Schematics 2 of 2
Spring Assisted Park Brake Schematics 2 of 2
Master Electrical Component List
Park Brake System Description and Operation
Spring Assisted Park Brake Schematics 1 of 2
Spring Assisted Park Brake Schematics 1 of 2
Spring Assisted Park Brake Schematics 1 of 2
Spring Assisted Park Brake Schematics 1 of 2
G105 Continued, Splice Pack 1, Splice Pack 4, S450
G105 Continued, S346, S347, S348, S363
G107 Continued, S107
G107, S103
G105 Continued, S323, S337, S339, S357, S358
G105, S325, S328