GM Service Manual Online
For 1990-2009 cars only
Makes
🢒
Cadillac
🢒
2007
🢒
Escalade EXT
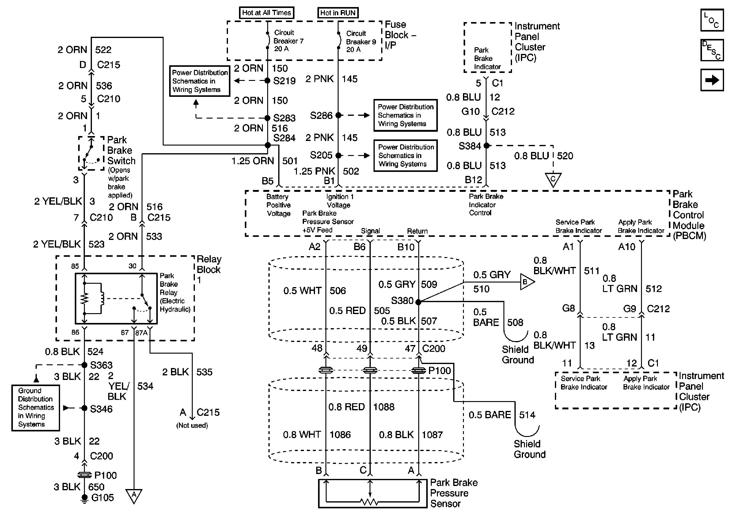
🢒 Spring Assisted Park Brake Schematics 1 of 2
Spring Assisted Park Brake Schematics 1 of 2
Spring Assisted Park Brake Schematics 1 of 2
Master Electrical Component List
Park Brake System Description and Operation
Spring Assisted Park Brake Schematics 2 of 2
G105 Continued, S346, S347, S348, S363
Spring Assisted Park Brake Schematics 2 of 2
IP Fuse Block, Circuit Breakers 7, 8
IP Fuse Block, Circuit Breaker 9 (1 of 3)
Circuit Breaker 9 (2 of 3)
Spring Assisted Park Brake Schematics 2 of 2
Spring Assisted Park Brake Schematics 2 of 2