GM Service Manual Online
For 1990-2009 cars only
Makes
🢒
Cadillac
🢒
2007
🢒
Escalade EXT
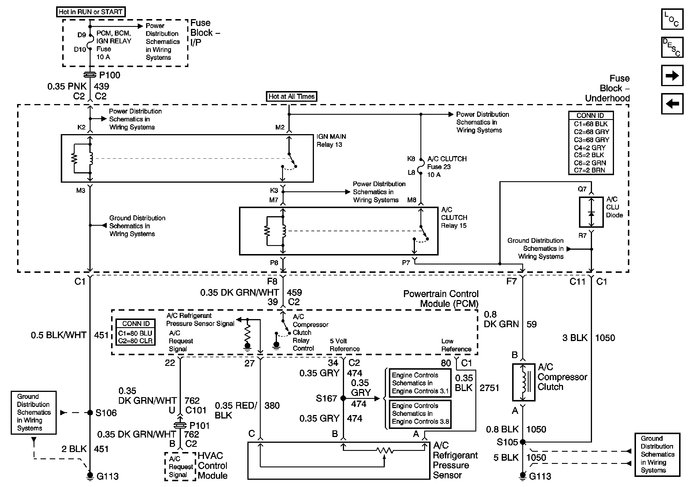
🢒 Compressor Controls
Compressor Controls
Compressor Controls
Master Electrical Component List
Air Temperature Description and Operation
Temperature Actuators
Blower Controls
PCM, BCM, Cluster, Turn, SDM
PCM, BCM, Cluster, Turn, SDM
G100, G111, and G113
G100, G111, and G113
Fuse Block Underhood Power Bussing (Page 1 of 2)
Fuse Block Underhood Power Bussing (Page 1 of 2)
G113
EVAP Controls and FTP Sensor
Fuel Pump Control, FTP
G113