GM Service Manual Online
For 1990-2009 cars only
Makes
🢒
Cadillac
🢒
2007
🢒
Escalade EXT
🢒 Starting
Starting
Starting
Master Electrical Component List
New Product Information
Charging
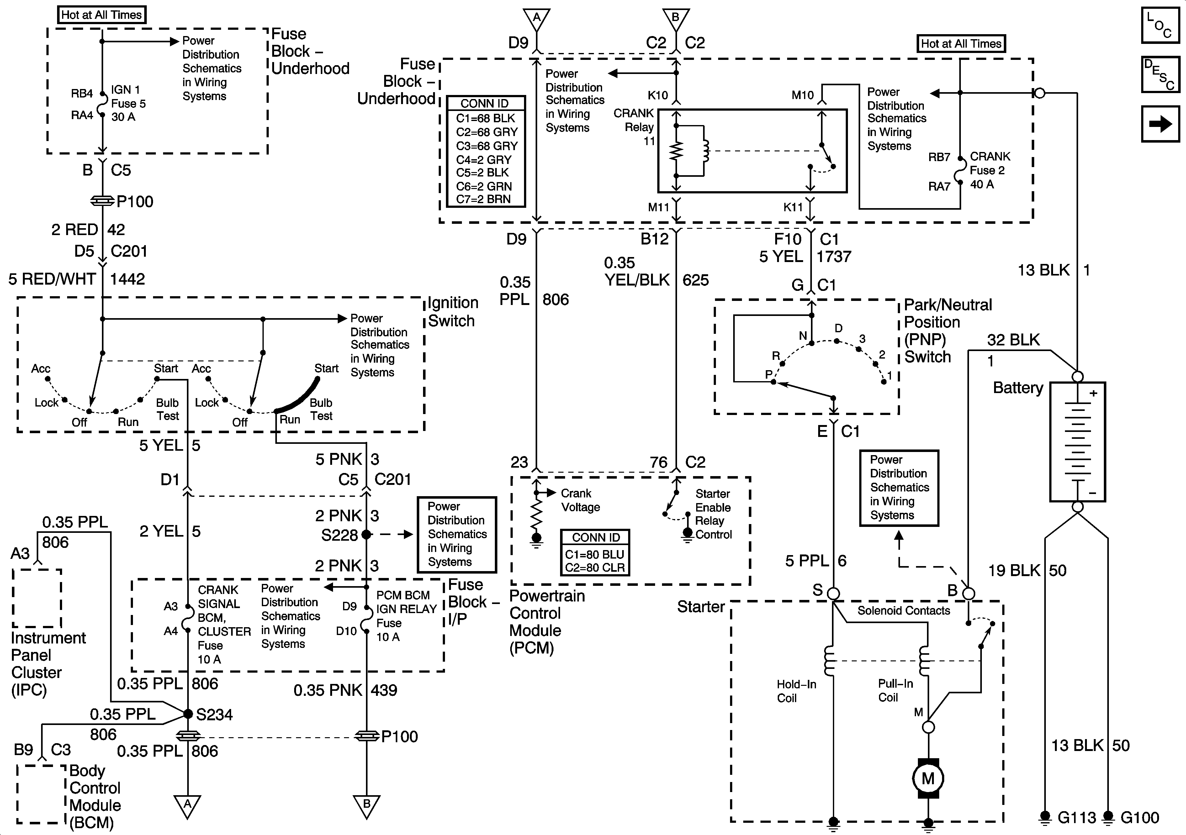
Fuse Block Underhood Power Bussing (Page 1 of 2)
PCM, BCM, Cluster, Turn, SDM
Fuse Block Underhood Power Bussing (Page 1 of 2)
Power Distribution Schematics (IGN 1)
Power Distribution Schematics (IGN 1)
Fuse Block Underhood Power Bussing (Page 1 of 2)
Power Distribution Schematics (IGN 1)