GM Service Manual Online
For 1990-2009 cars only
Makes
🢒
Cadillac
🢒
2007
🢒
Escalade EXT
🢒 Charging
Charging
Charging
Master Electrical Component List
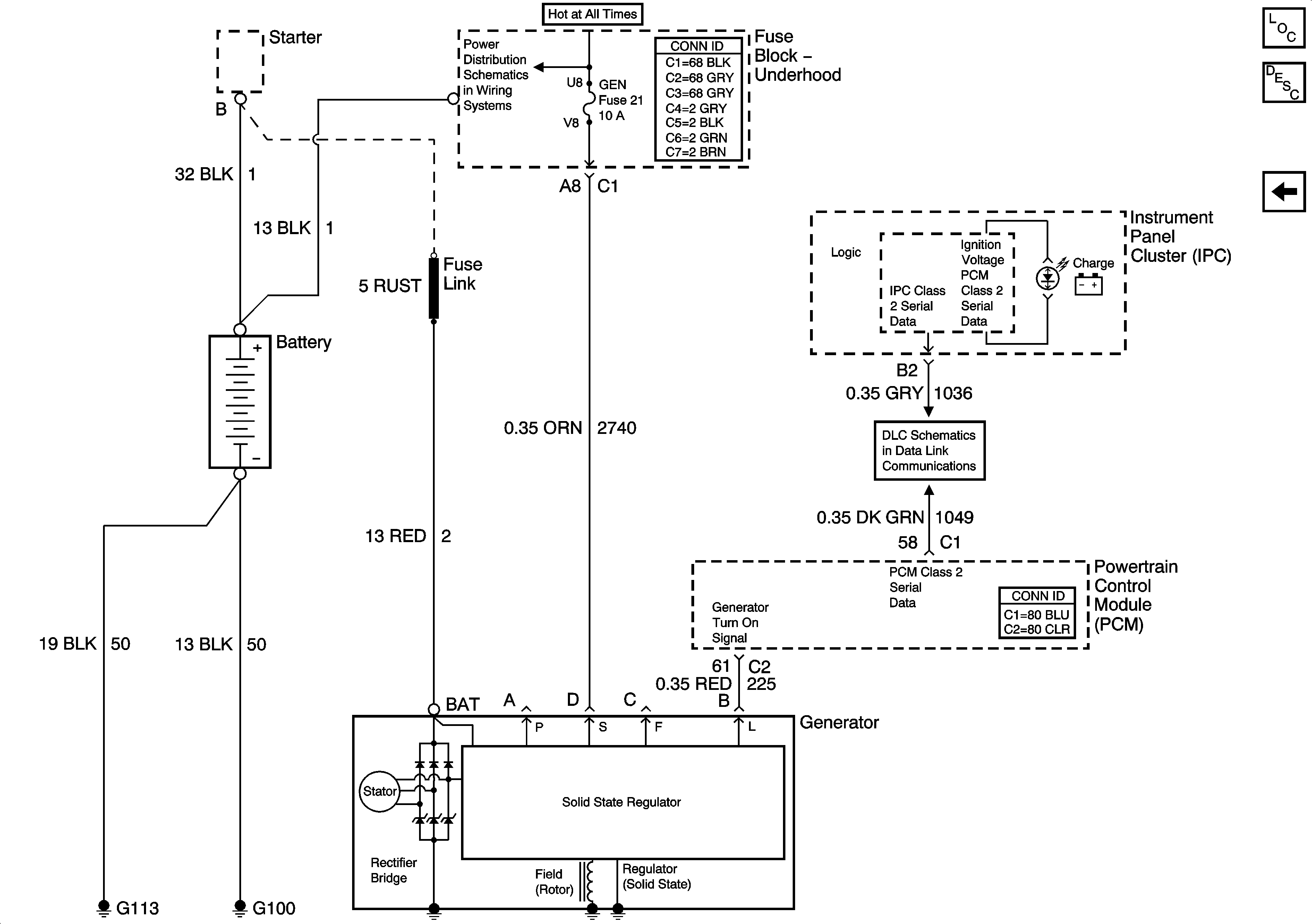
Charging System Description and Operation
Starting
Fuse Block Underhood Power Bussing (Page 1 of 2)
Data Link Connector (DLC)