GM Service Manual Online
For 1990-2009 cars only
Makes
🢒
Cadillac
🢒
2007
🢒
Escalade EXT
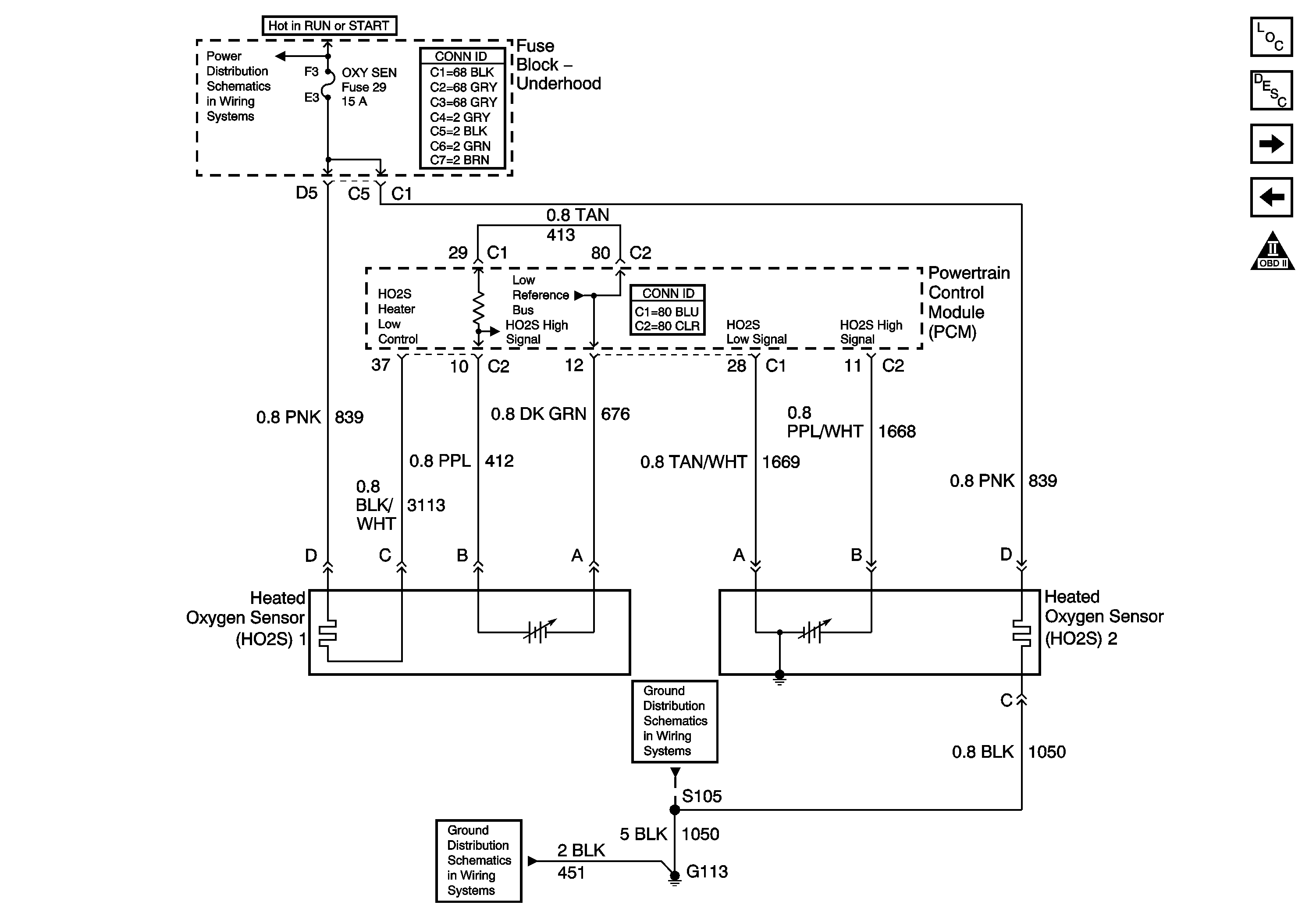
🢒 Oxygen Sensors
Oxygen Sensors
Oxygen Sensors
Master Electrical Component List
Powertrain Control Module Description
Ignition Controls
Engine Controls 3.1L (Engine Data Sensors)
OBD II Symbol Description Notice
Fuse Block Underhood Power Bussing (Page 1 of 2)
G100, G111, and G113
G113