GM Service Manual Online
For 1990-2009 cars only
Makes
🢒
Cadillac
🢒
2007
🢒
Escalade EXT
🢒 Engine Controls 3.1L (Engine Data Sensors)
Engine Controls 3.1L (Engine Data Sensors)
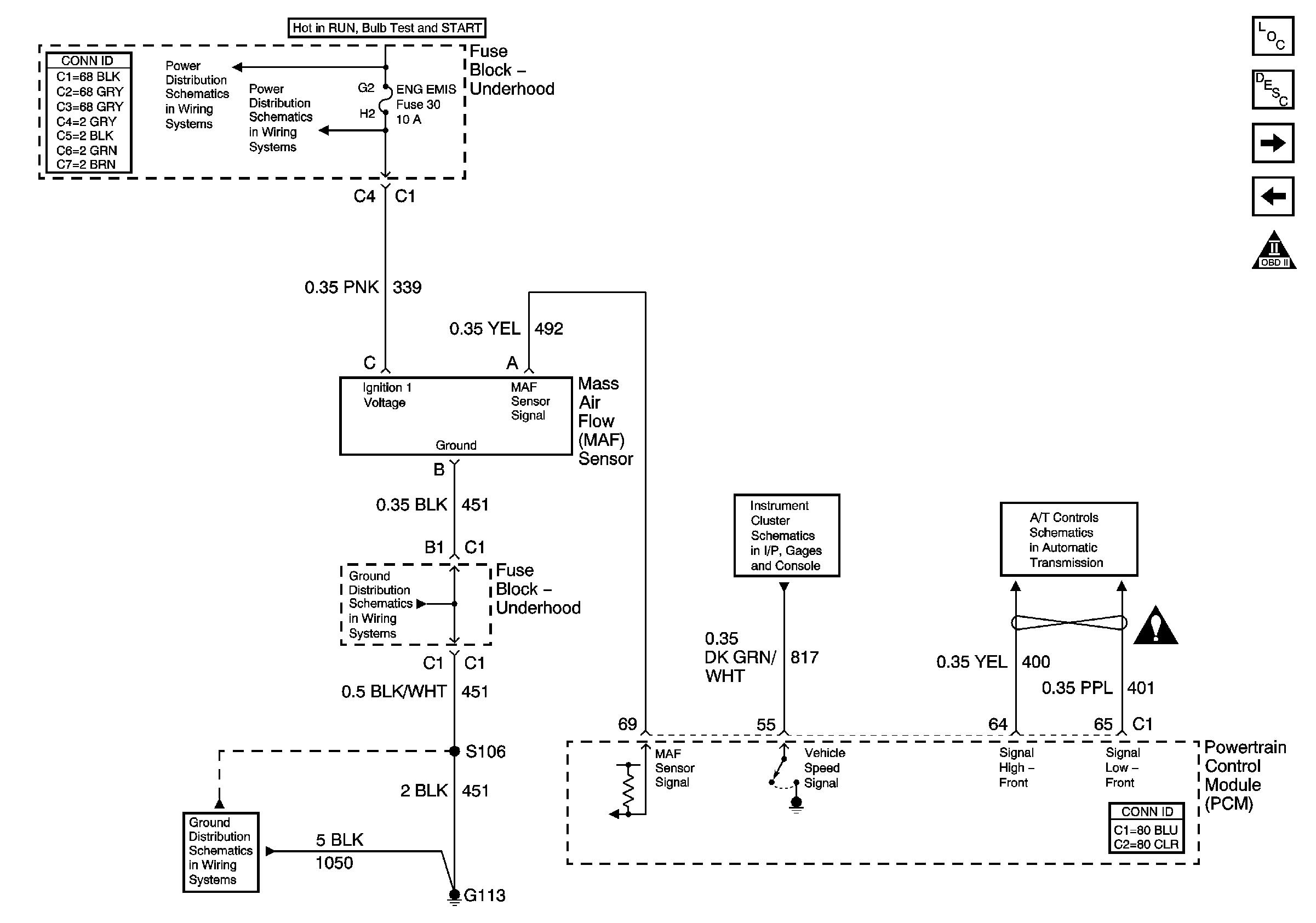
Engine Data Sensors - MAF, VSS
Master Electrical Component List
Powertrain Control Module Description
Oxygen Sensors
Engine Data Sensors-Pressure and Temperature
OBD II Symbol Description Notice
Fuse Block Underhood Power Bussing (Page 1 of 2)
Stop, EVAP, MAF
G100, G111, and G113
G100, G111, and G113
Gauges
Fluid Pressure Manual Valve Position Switch and ISS Sensor
Engine Controls Schematic Icons