GM Service Manual Online
For 1990-2009 cars only
Makes
🢒
Cadillac
🢒
2007
🢒
Escalade EXT
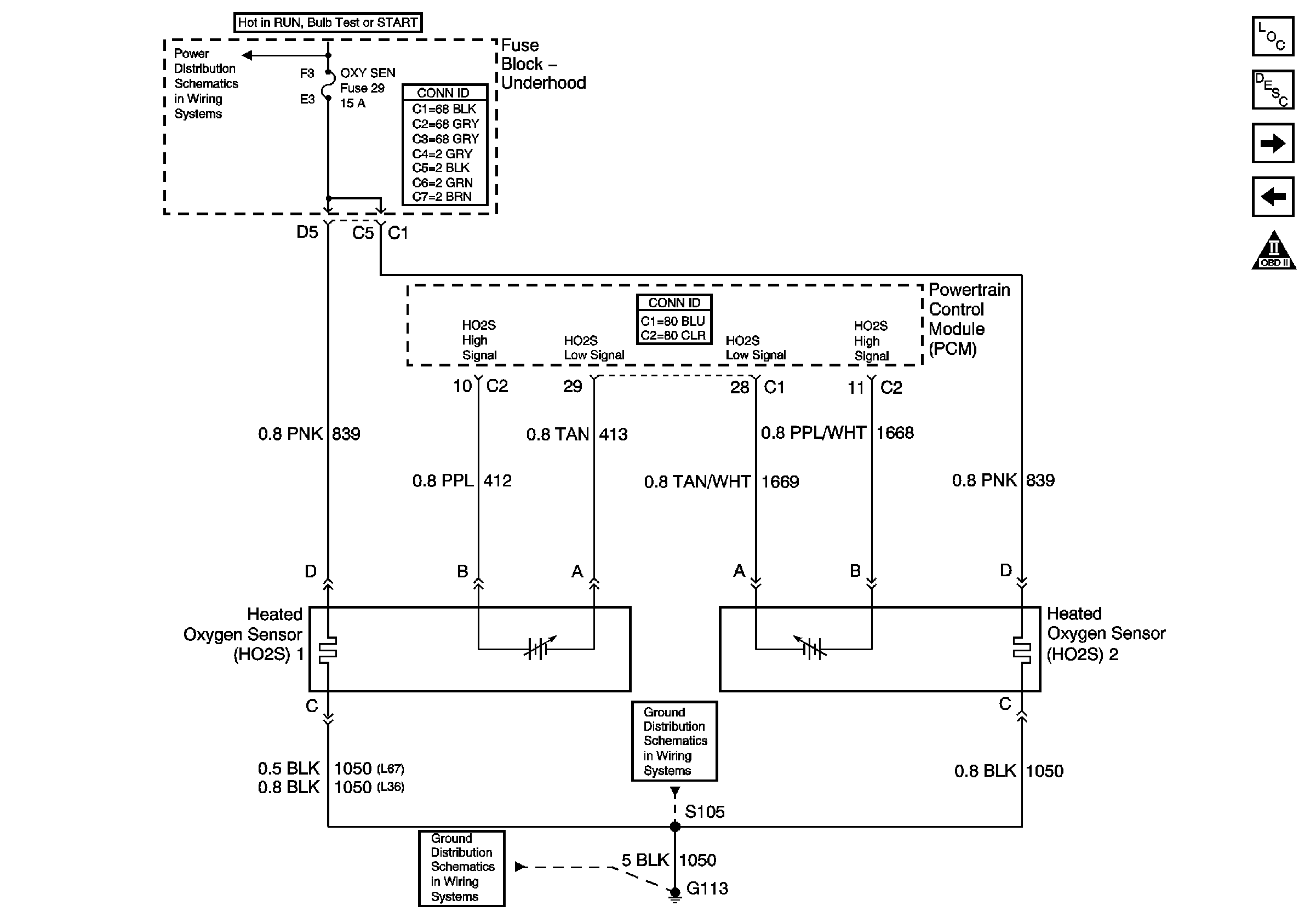
🢒 HO2S Sensors
HO2S Sensors
Engine Data Sensors -- HO2S
Master Electrical Component List
Powertrain Control Module Description
CMP,CKP,and KS Sensors
Engine Data Sensors-MAF,VSS
OBD II Symbol Description Notice
Fuse Block Underhood Power Bussing (Page 1 of 2)
G113
G100, G111, and G113