GM Service Manual Online
For 1990-2009 cars only
Makes
🢒
Cadillac
🢒
2007
🢒
Escalade EXT
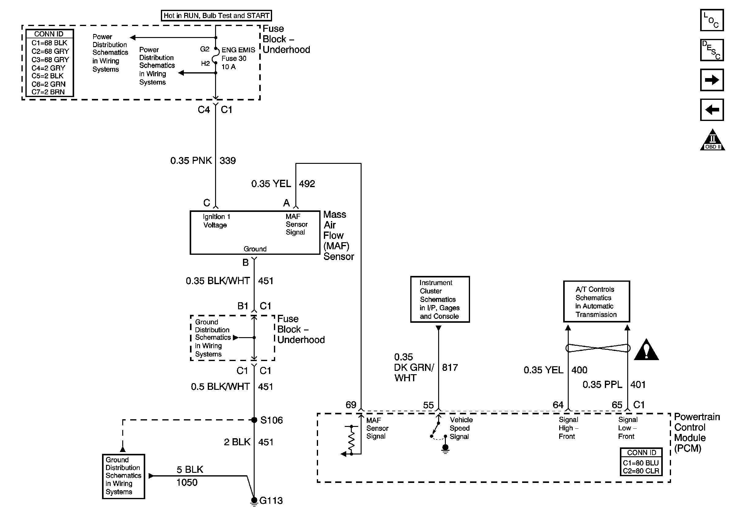
🢒 Engine Data Sensors-MAF,VSS
Engine Data Sensors-MAF,VSS
Engine Data Sensors - MAF, VSS
Master Electrical Component List
Powertrain Control Module Description
HO2S Sensors
Engine Data Sensors
OBD II Symbol Description Notice
Fuse Block Underhood Power Bussing (Page 1 of 2)
Stop, EVAP, MAF
G100, G111, and G113
G100, G111, and G113
Gauges
Fluid Pressure Manual Valve Position Switch and ISS Sensor
Engine Controls Schematic Icons