GM Service Manual Online
For 1990-2009 cars only
Makes
🢒
Cadillac
🢒
2007
🢒
Escalade EXT
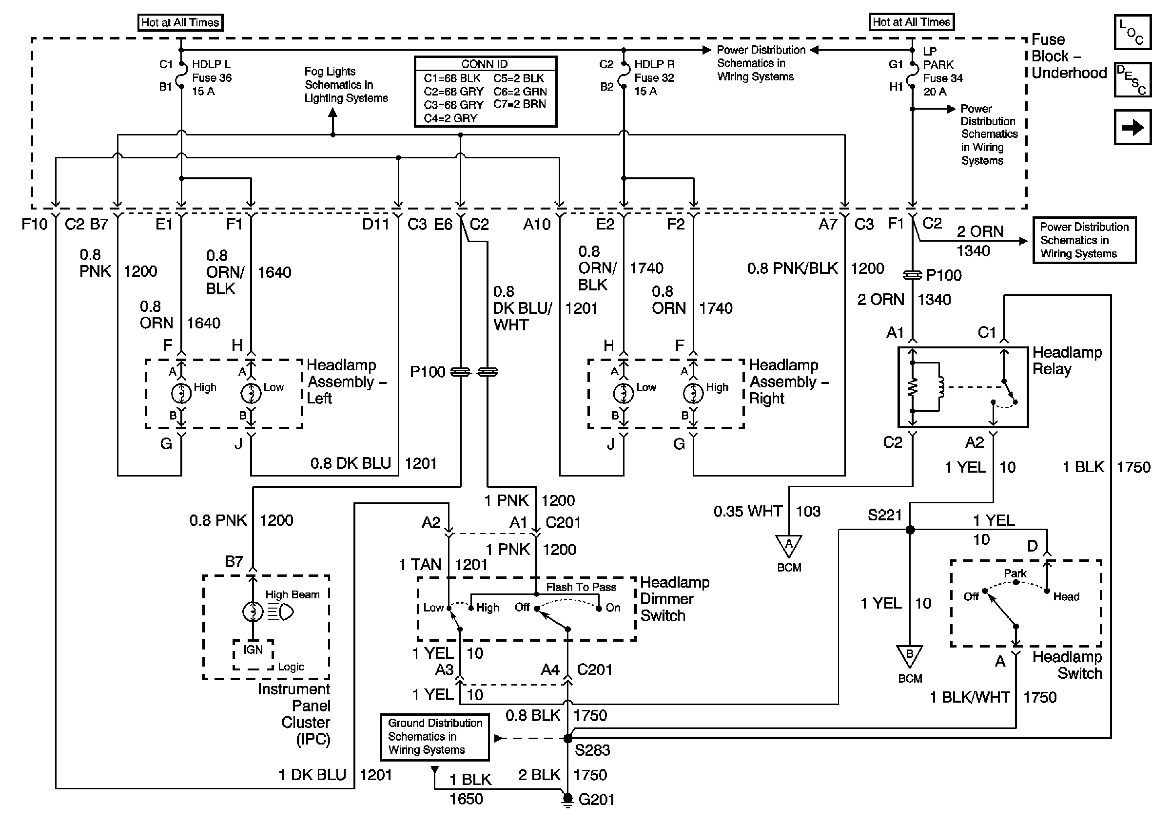
🢒 Headlamps and Headlamp Dimmer Switch
Headlamps and Headlamp Dimmer Switch
Headlamps
Master Electrical Component List
Exterior Lighting Systems Description and Operation
Headlamp Relay, Ambient Light Sensor, and Park Brake Switch
Fuse Block Underhood Power Bussing (Page 1 of 2)
Headlamp Relay, Ambient Light Sensor, and Park Brake Switch
Headlamp Relay, Ambient Light Sensor, and Park Brake Switch
G201
Fog Lights
Lighting, Power Windows
Lighting, Power Windows