GM Service Manual Online
For 1990-2009 cars only
Makes
🢒
Cadillac
🢒
2007
🢒
Escalade EXT
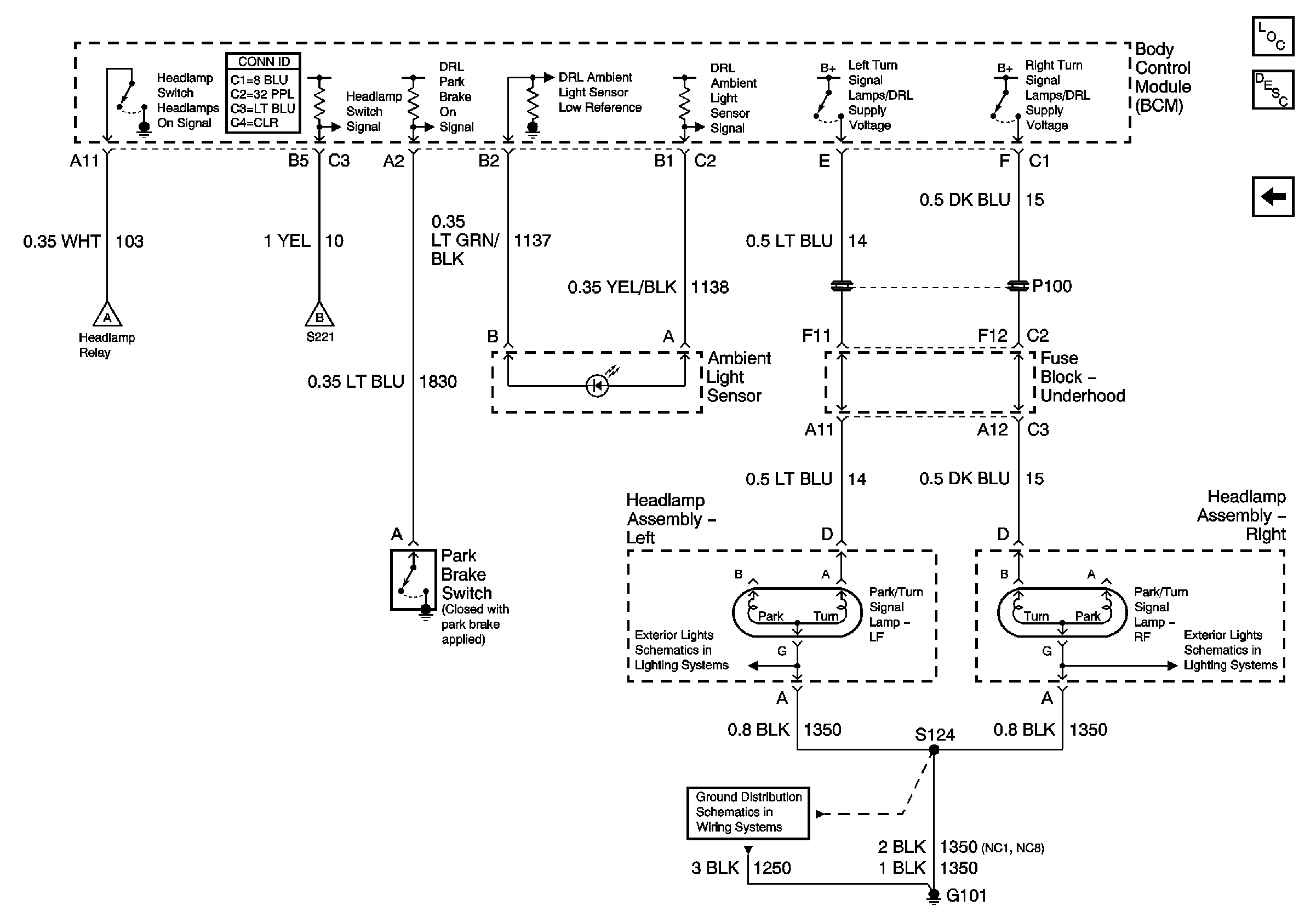
🢒 Headlamp Relay, Ambient Light Sensor, and Park Brake Switch
Headlamp Relay, Ambient Light Sensor, and Park Brake Switch
Daytime Running Lamps (DRL)
Master Electrical Component List
Exterior Lighting Systems Description and Operation
Headlamps and Headlamp Dimmer Switch
Headlamps and Headlamp Dimmer Switch
Headlamps and Headlamp Dimmer Switch
Front Turn Lamps and Cornering Lamps
Front Turn Lamps and Cornering Lamps
G101