GM Service Manual Online
For 1990-2009 cars only
Makes
🢒
Cadillac
🢒
2007
🢒
Escalade EXT
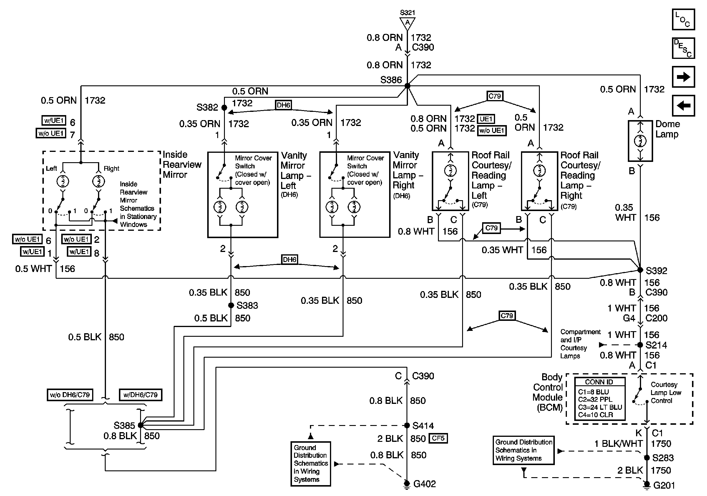
🢒 Mirror, Dome, and Courtesy/Reading Lamps
Mirror, Dome, and Courtesy/Reading Lamps
Mirror, Dome and Courtesy/Reading Lamps
Master Electrical Component List
Interior Lighting Systems Description and Operation
Rear Compartment Courtesy Lamp w/Entrapment Protection
Compartment and I/P Courtesy Lamps
Compartment and I/P Courtesy Lamps
Century
Compartment and I/P Courtesy Lamps
G402 (Page 1 of 2)
G201