GM Service Manual Online
For 1990-2009 cars only
Makes
🢒
Cadillac
🢒
2007
🢒
Escalade EXT
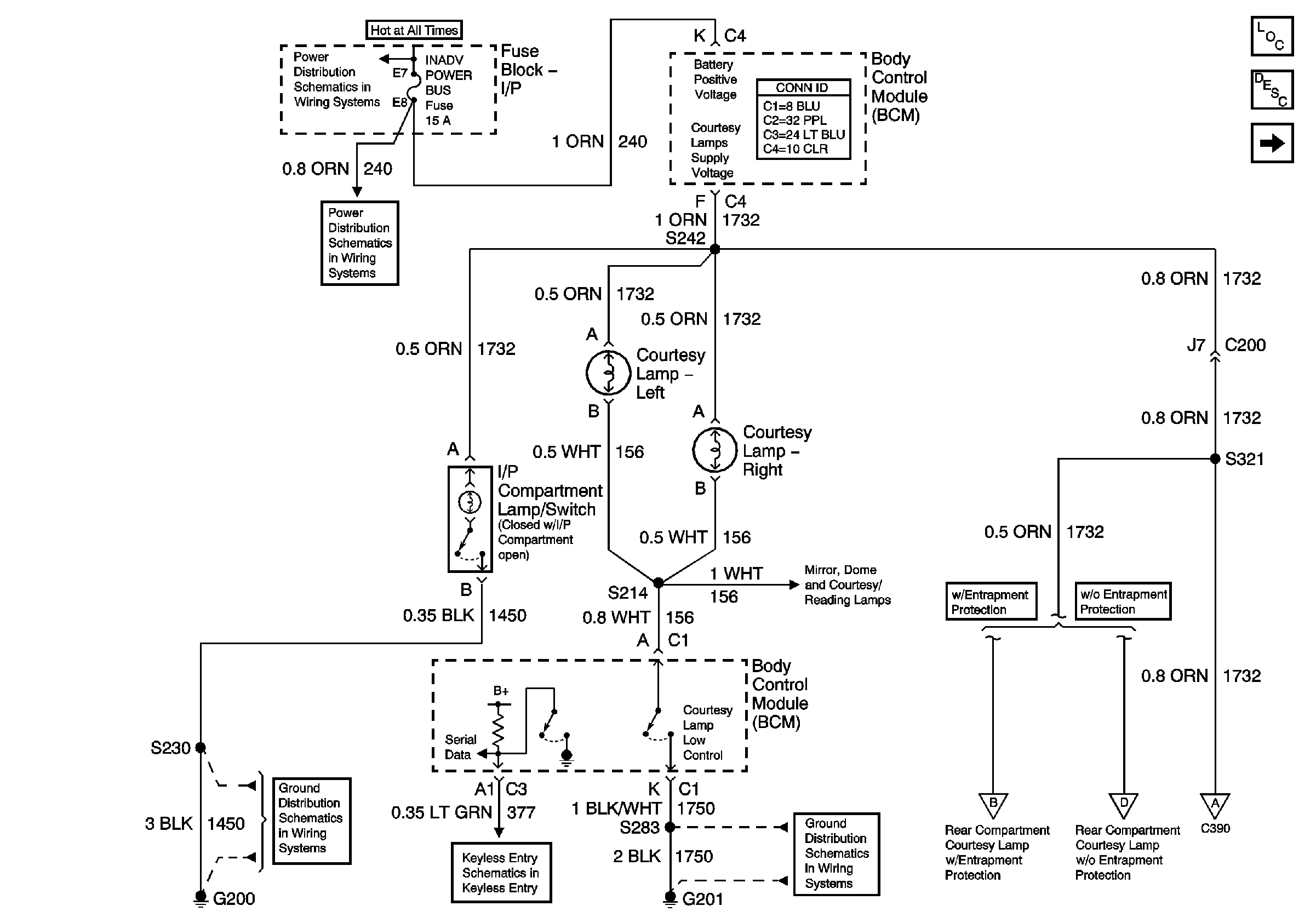
🢒 Compartment and I/P Courtesy Lamps
Compartment and I/P Courtesy Lamps
Compartment and I/P Courtesy Lamps
Master Electrical Component List
Interior Lighting Systems Description and Operation
Mirror, Dome, and Courtesy/Reading Lamps
Batt 1 Fuse
Batt 1 Fuse
G200 (Page 1 of 2)
Keyless Entry
Mirror, Dome, and Courtesy/Reading Lamps
G201
Rear Compartment Courtesy Lamp w/Entrapment Protection
Rear Compartment Courtesy Lamp w/o Entrapment Protection
Mirror, Dome, and Courtesy/Reading Lamps