GM Service Manual Online
For 1990-2009 cars only
Makes
🢒
Cadillac
🢒
2007
🢒
Escalade EXT
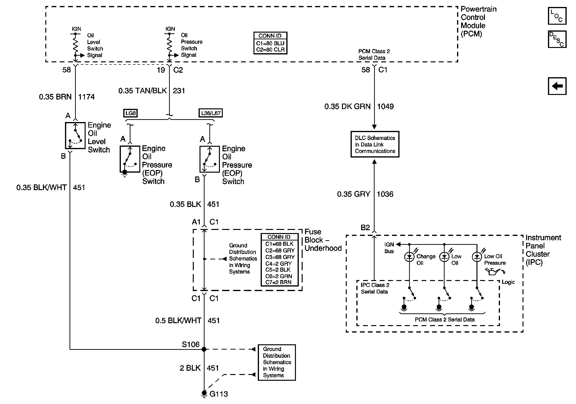
🢒 Low Oil Pressure and Low Oil Indicators
Low Oil Pressure and Low Oil Indicators
Indicators, Page 2 of 2
Master Electrical Component List
Indicator/Warning Message Description and Operation
Indicators
Data Link Connector (DLC)
G100, G111, and G113
G100, G111, and G113