GM Service Manual Online
For 1990-2009 cars only
Makes
🢒
Cadillac
🢒
2007
🢒
Escalade EXT
🢒 Passenger
Passenger
Passenger
Master Electrical Component List
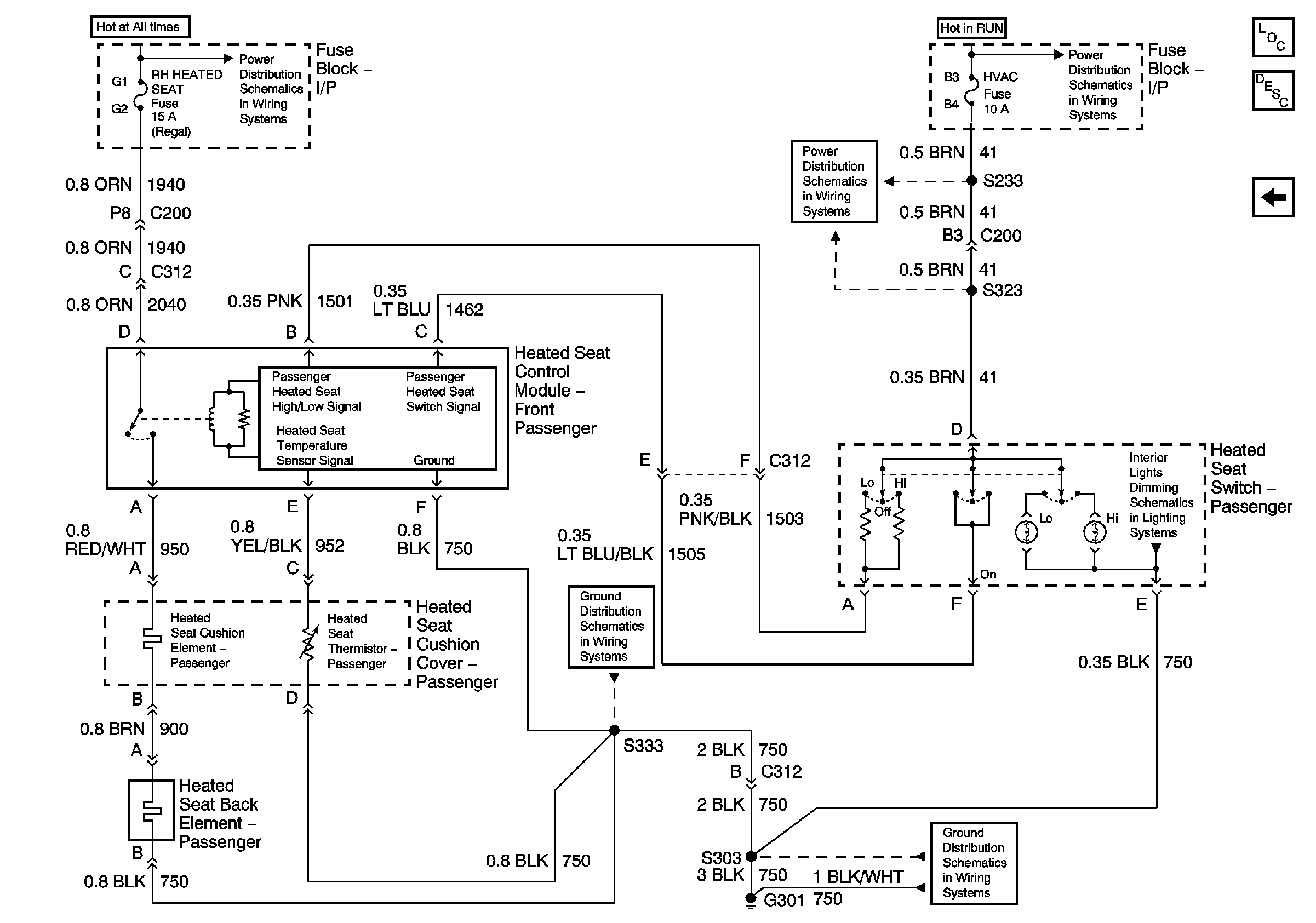
Heated Seats Description and Operation
Driver
Battery 3 (Regal)
Blower, Cruise, HVAC
Blower, Cruise, HVAC
Door and Seat Switches
G301 (Page 2 of 2)
G301 (Page 1 of 2)