GM Service Manual Online
For 1990-2009 cars only
Makes
🢒
Cadillac
🢒
2007
🢒
Escalade EXT
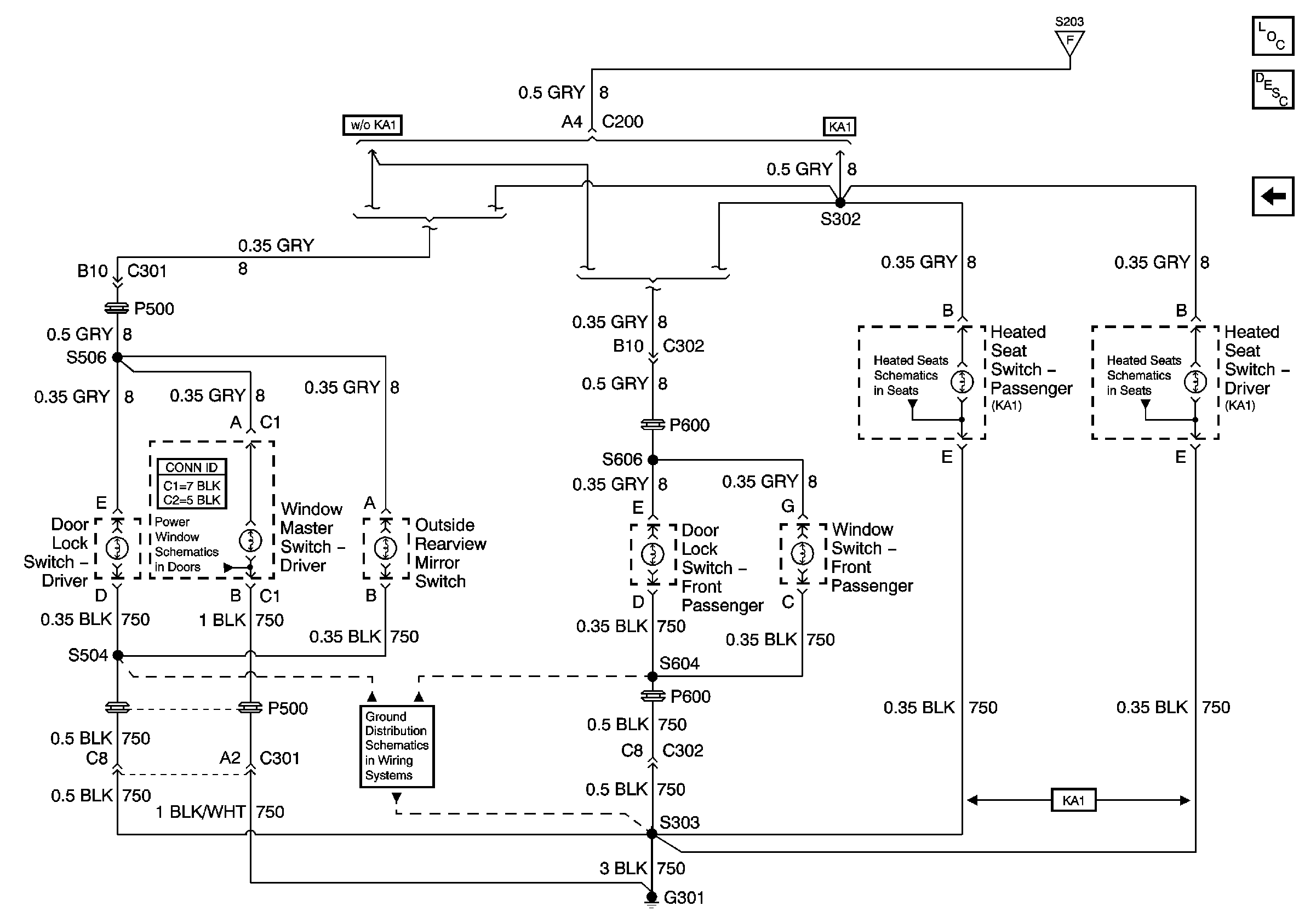
🢒 Door and Seat Switches
Door and Seat Switches
Door and Seat Switches
Master Electrical Component List
Interior Lighting Systems Description and Operation
Passenger Compartment Lamps
I/P Dimmer Switch, HVAC, and IPC
Front
Passenger
Driver
G301 (Page 1 of 2)