GM Service Manual Online
For 1990-2009 cars only
Makes
🢒
Cadillac
🢒
2007
🢒
Escalade EXT
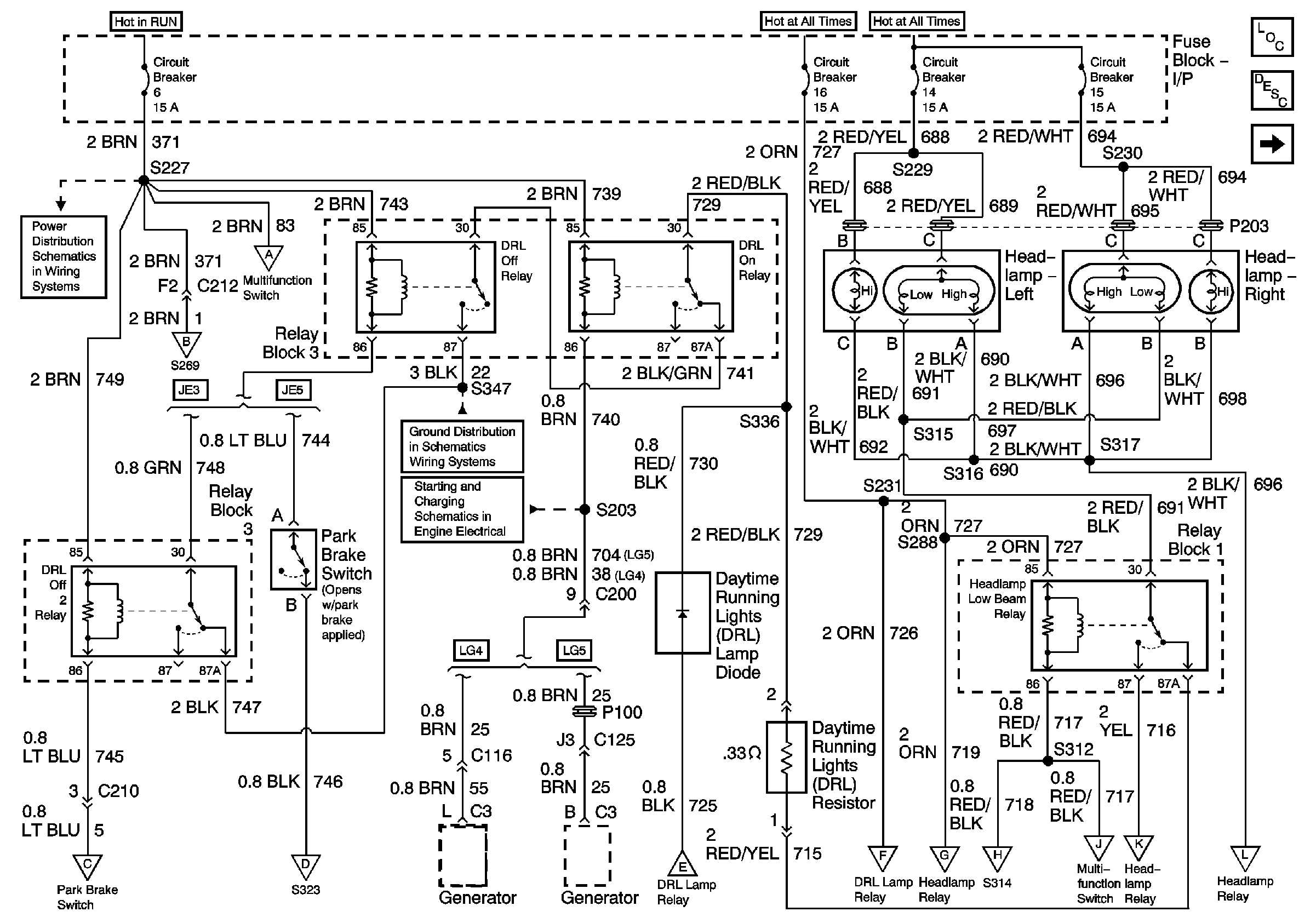
🢒 Lighting System Schematics - PRK BRK SW, RH and LH Headlamp, DRL RLY
Lighting System Schematics - PRK BRK SW, RH and LH Headlamp, DRL RLY
Circuit Power, Headlamps
Master Electrical Component List
Exterior Lighting Systems Description and Operation
Lighting System Schematics - Headlamp and DRL Relays, Multifunction SW
Power Distribution System Schematics - Fuse Block I/P, C.B. 6
CMP Sensor Connector
Engine Electrical System - Charging System LG5
Lighting System Schematics - Headlamp and DRL Relays, Multifunction SW
Lighting System Schematics - Headlamp and DRL Relays, Multifunction SW
Lighting System Schematics - Headlamp and DRL Relays, Multifunction SW
Lighting System Schematics - Headlamp and DRL Relays, Multifunction SW
Lighting System Schematics - Headlamp and DRL Relays, Multifunction SW
Lighting System Schematics - Headlamp and DRL Relays, Multifunction SW
Lighting System Schematics - Headlamp and DRL Relays, Multifunction SW
Lighting System Schematics - Headlamp and DRL Relays, Multifunction SW
Lighting System Schematics - Headlamp and DRL Relays, Multifunction SW
Lighting System Schematics - Headlamp and DRL Relays, Multifunction SW
Lighting System Schematics - Headlamp and DRL Relays, Multifunction SW