GM Service Manual Online
For 1990-2009 cars only
Makes
🢒
Cadillac
🢒
2007
🢒
Escalade EXT
🢒 Lighting System Schematics - Headlamp and DRL Relays, Multifunction SW
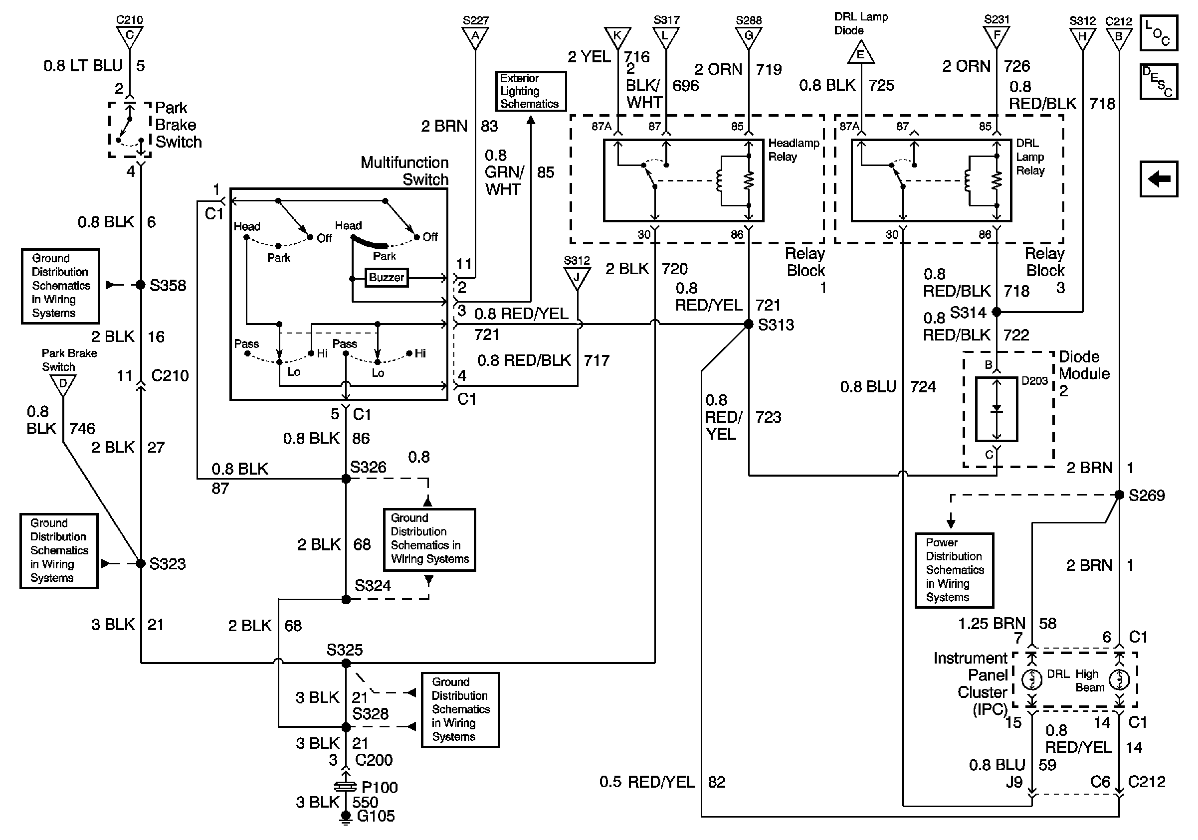
Lighting System Schematics - Headlamp and DRL Relays, Multifunction SW
DRL Controls
Master Electrical Component List
Exterior Lighting Systems Description and Operation
Lighting System Schematics - PRK BRK SW, RH and LH Headlamp, DRL RLY
Lighting System Schematics - Marker and Tail LP Rly,Multifunction SW
Ground Distribution Schematics - S323, S337, S339, S357 and S358
Ground Distribution Schematics - S323, S337, S339, S357 and S358
Ground Distribution Schematics - S324, S326 and S500
Ground Distribution Schematics - G105, S325 and S328
Power Distribution System Schematics - Feed From Circuit Breaker 6
Lighting System Schematics - PRK BRK SW, RH and LH Headlamp, DRL RLY
Lighting System Schematics - PRK BRK SW, RH and LH Headlamp, DRL RLY
Lighting System Schematics - PRK BRK SW, RH and LH Headlamp, DRL RLY
Lighting System Schematics - PRK BRK SW, RH and LH Headlamp, DRL RLY
Lighting System Schematics - PRK BRK SW, RH and LH Headlamp, DRL RLY
Lighting System Schematics - PRK BRK SW, RH and LH Headlamp, DRL RLY
Lighting System Schematics - PRK BRK SW, RH and LH Headlamp, DRL RLY
Lighting System Schematics - PRK BRK SW, RH and LH Headlamp, DRL RLY
Lighting System Schematics - PRK BRK SW, RH and LH Headlamp, DRL RLY
Lighting System Schematics - PRK BRK SW, RH and LH Headlamp, DRL RLY
Lighting System Schematics - PRK BRK SW, RH and LH Headlamp, DRL RLY