GM Service Manual Online
For 1990-2009 cars only
Makes
🢒
Cadillac
🢒
2007
🢒
Escalade EXT
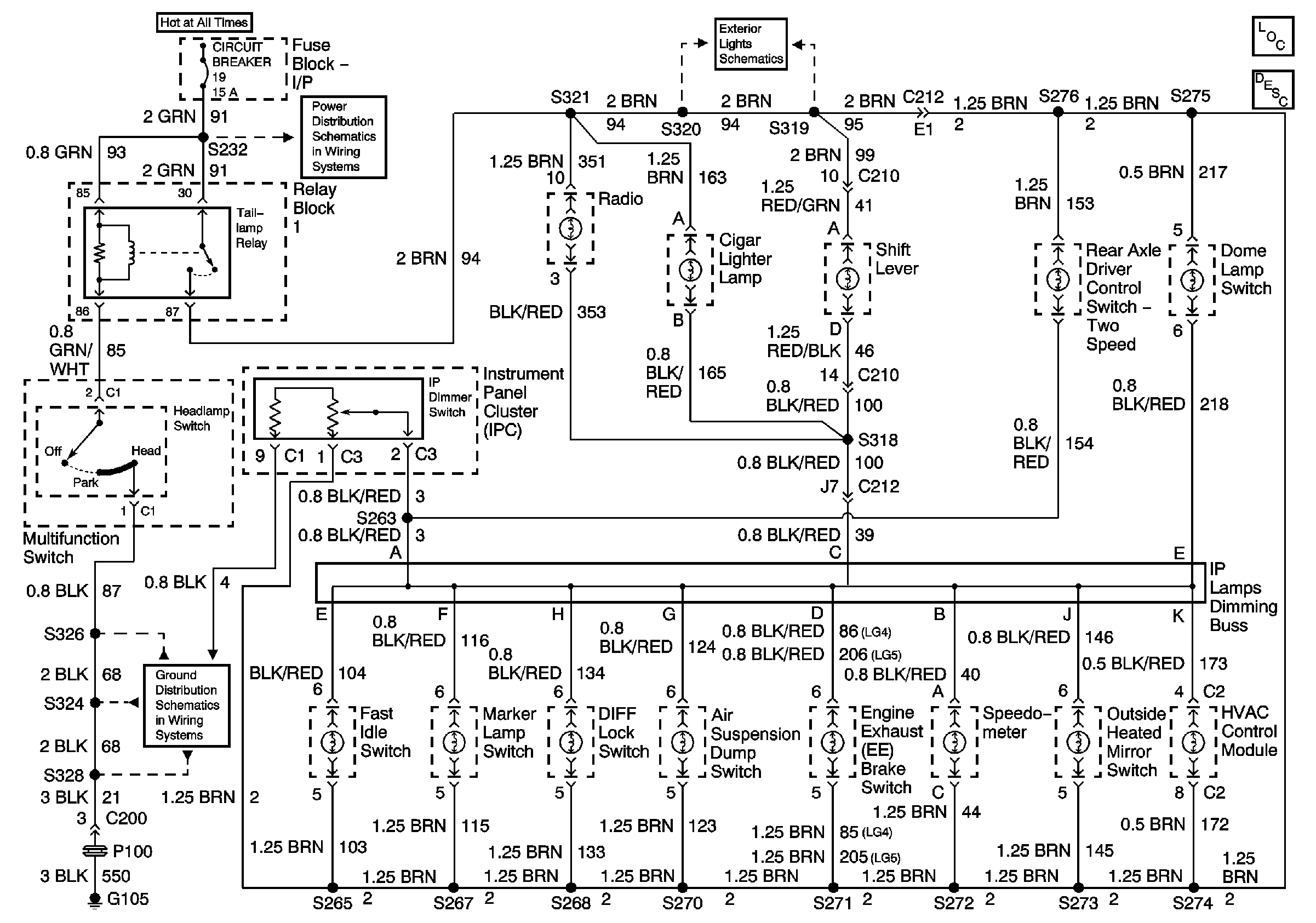
🢒 Lighting System Schematics - Instrument Panel Lighting
Lighting System Schematics - Instrument Panel Lighting
Master Electrical Component List
Interior Lighting Systems Description and Operation
Lighting System Schematics - Marker and Tail LP Rly,Multifunction SW
Power Distribution System Schematics - FB I/P C.B. 16, 17, 18, 19
Ground Distribution Schematics - S324, S326 and S500