GM Service Manual Online
For 1990-2009 cars only
Makes
🢒
Cadillac
🢒
2007
🢒
Escalade EXT
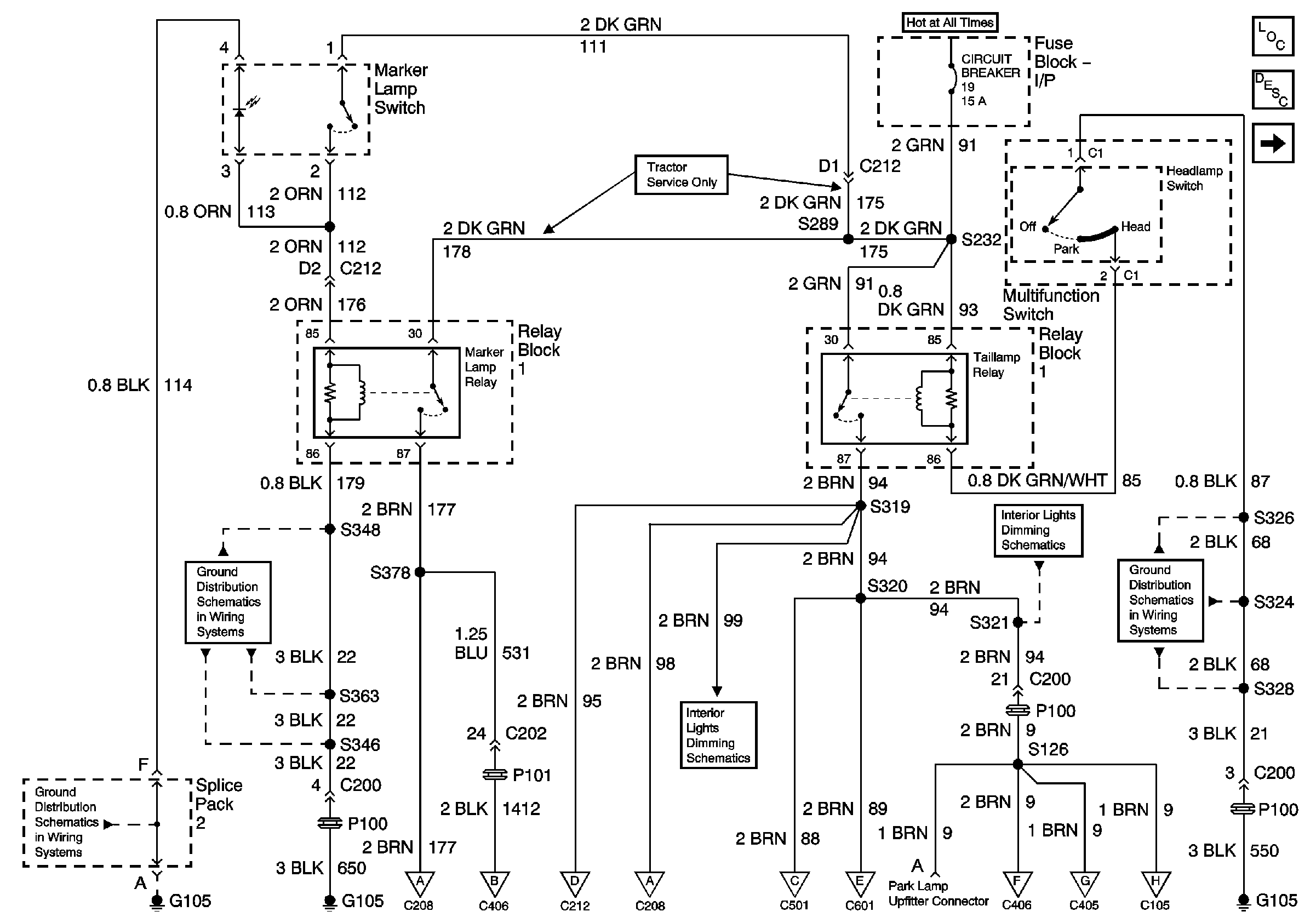
🢒 Lighting System Schematics - Marker and Tail LP Rly,Multifunction SW
Lighting System Schematics - Marker and Tail LP Rly,Multifunction SW
Exterior Lamps Switch and Relays
Master Electrical Component List
Exterior Lighting Systems Description and Operation
Lighting System Schematics - TRN Trailer RLY, MF SW and TRN SG Haz FL
Ground Distribution Schematics - Splice Pack 2
Ground Distribution Schematics - S346, S347, S348 and S363
Lighting System Schematics - Instrument Panel Lighting
Lighting System Schematics - Instrument Panel Lighting
Ground Distribution Schematics - G105, S325 and S328
Lighting System Schematics - Marker Lamps
Lighting System Schematics - Tractor/Trailer Receptacle
Lighting System Schematics - Outside Rearview Mirrors Lamps
Lighting System Schematics - Marker Lamps
Lighting System Schematics - Marker Lamps
Lighting System Schematics - Marker Lamps
Lighting System Schematics - Tractor/Trailer Receptacle
Lighting System Schematics - PRK TRN SIG LP, Tail STP/TRN LP, IPC
Lighting System Schematics - PRK TRN SIG LP, Tail STP/TRN LP, IPC