GM Service Manual Online
For 1990-2009 cars only
Makes
🢒
Cadillac
🢒
2007
🢒
Escalade EXT
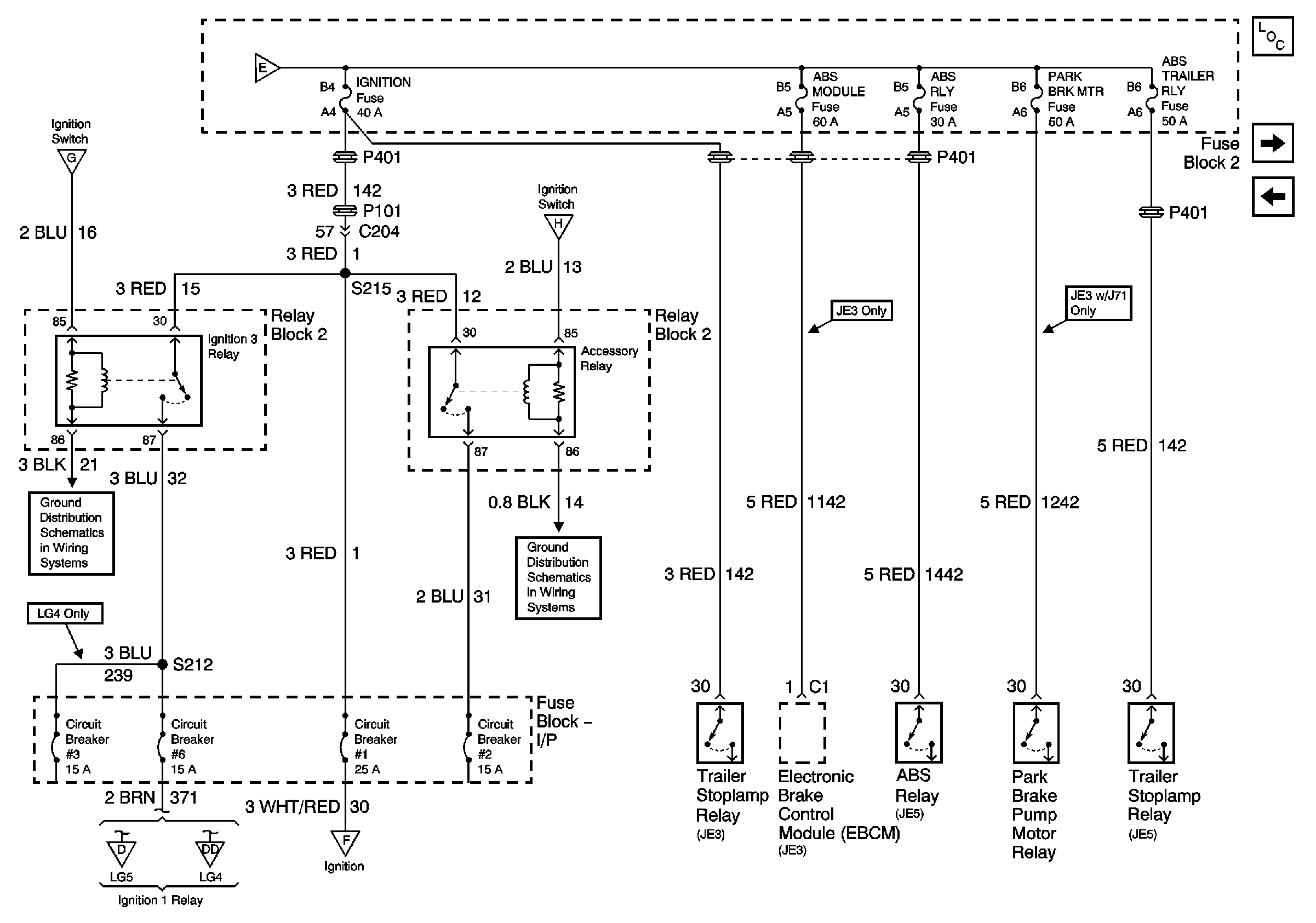
🢒 Power Distribution System Schematics - IGN, ABS, ABS RLY, PRK BRK Fuse
Power Distribution System Schematics - IGN, ABS, ABS RLY, PRK BRK Fuse
Fuse Block 2, IGNITION, ABS MODULE (JE3), ABS RLY (JE5), TRAILER STOP RLYS, PARK BRK MTR Fuses
Master Electrical Component List
Power Distribution System Schematics - Fuse Block 1, Fuse Block I/P
Power Distribution System Schematics - Battery and Starting System
Ground Distribution Schematics - S338
Ground Distribution Schematics - S323, S337, S339, S357 and S358
Power Distribution System Schematics - Ignition Switch
Power Distribution System Schematics - Battery and Starting System
Power Distribution System Schematics - Battery and Starting System
Power Distribution System Schematics - Fuse Block 2, Fuse Block I/P
Power Distribution System Schematics - Ignition Switch
Ignition Switch