GM Service Manual Online
For 1990-2009 cars only
Makes
🢒
Cadillac
🢒
2007
🢒
Escalade EXT
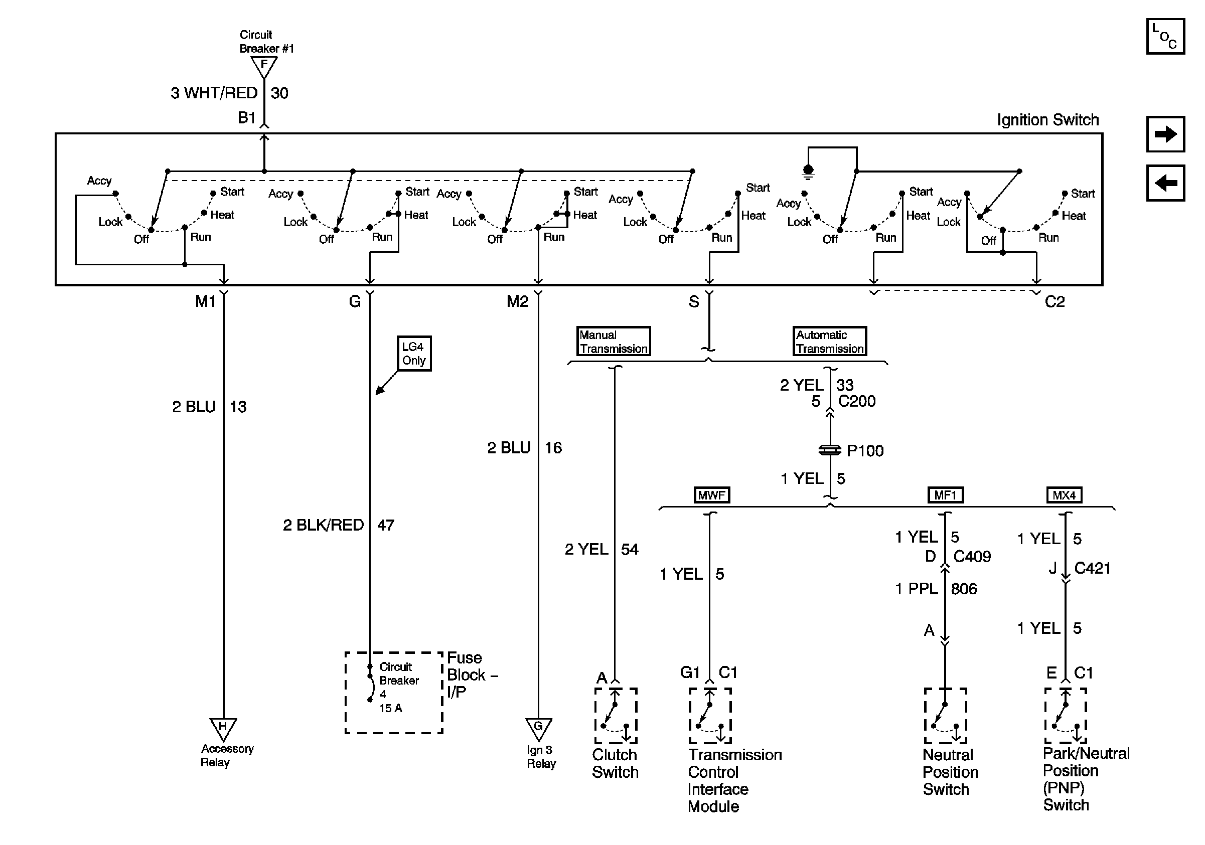
🢒 Power Distribution System Schematics - Ignition Switch
Power Distribution System Schematics - Ignition Switch
Ignition Switch
Master Electrical Component List
Power Distribution System Schematics - Fuse Block I/P, C.B. 1, 2, 3
Power Distribution System Schematics - Fuse Block 2, Fuse Block I/P
Power Distribution System Schematics - IGN, ABS, ABS RLY, PRK BRK Fuse
Power Distribution System Schematics - IGN, ABS, ABS RLY, PRK BRK Fuse
Power Distribution System Schematics - IGN, ABS, ABS RLY, PRK BRK Fuse