GM Service Manual Online
For 1990-2009 cars only
Makes
🢒
Cadillac
🢒
2007
🢒
Escalade EXT
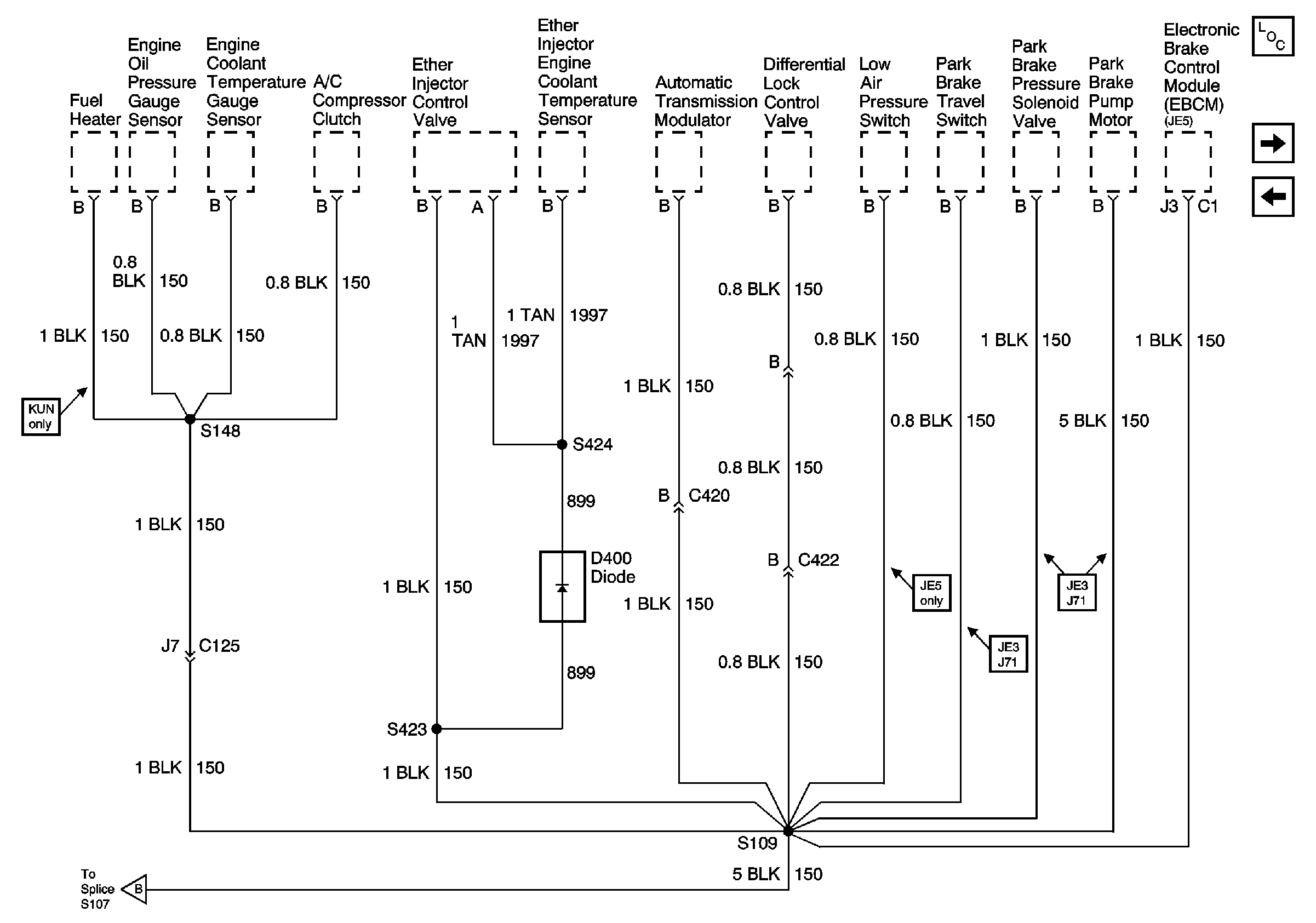
🢒 Ground Distribution Schematics - S109, S148 and S424
Ground Distribution Schematics - S109, S148 and S424
G107 Continued, S109 (LG5 Only), S148, S423, S424
Master Electrical Component List
Ground Distribution Schematics - G105, S325 and S328
Ground Distribution Schematics - S107
G107 Continued, S107