GM Service Manual Online
For 1990-2009 cars only
Makes
🢒
Cadillac
🢒
2007
🢒
Escalade EXT
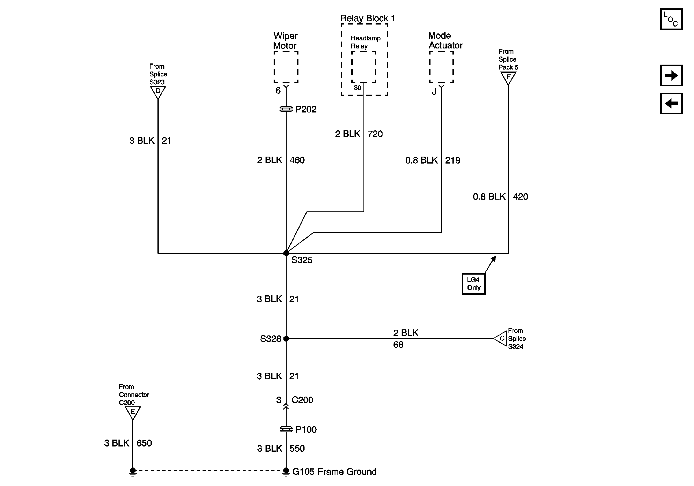
🢒 Ground Distribution Schematics - G105, S325 and S328
Ground Distribution Schematics - G105, S325 and S328
G105, S325, S328
Master Electrical Component List
Ground Distribution Schematics - S324, S326 and S500
Ground Distribution Schematics - S109, S148 and S424
Ground Distribution Schematics - S323, S337, S339, S357 and S358
Ground Distribution Schematics - S346, S347, S348 and S363
G105 Continued, Splice Pack 5, S242
G105 Continued, S324, S326, S500