GM Service Manual Online
For 1990-2009 cars only
Makes
🢒
Cadillac
🢒
2007
🢒
Escalade EXT
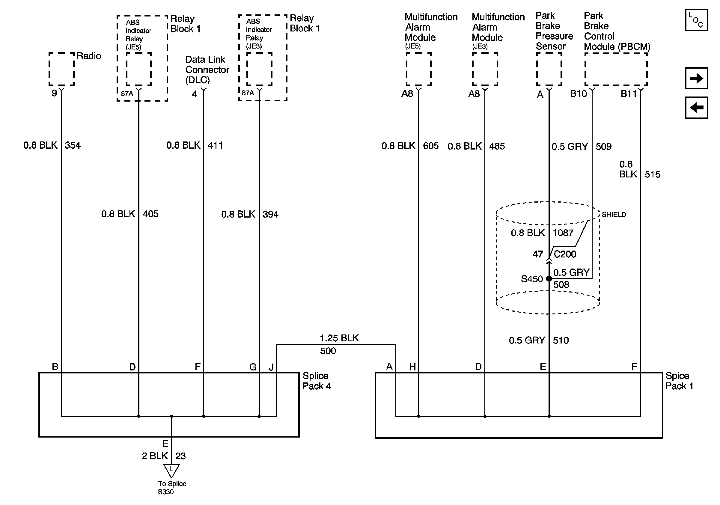
🢒 Ground Distribution Schematics - Splice Pack 1 and 4, S450
Ground Distribution Schematics - Splice Pack 1 and 4, S450
G105 Continued, Splice Pack 1, Splice Pack 4, S450
Master Electrical Component List
Ground Distribution Schematics - Splice Pack 5, S239 and S242
Ground Distribution Schematics - S323, S337, S339, S357 and S358
Ground Distribution Schematics - S346, S347, S348 and S363