GM Service Manual Online
For 1990-2009 cars only
Makes
🢒
Cadillac
🢒
2007
🢒
Escalade EXT
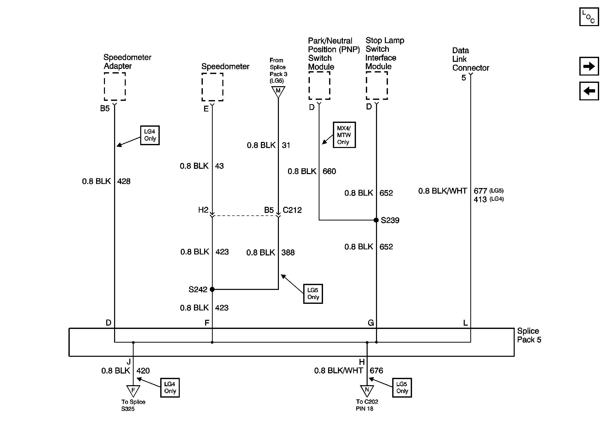
🢒 Ground Distribution Schematics - Splice Pack 5, S239 and S242
Ground Distribution Schematics - Splice Pack 5, S239 and S242
G105 Continued, Splice Pack 5, S242
Master Electrical Component List
Ground Distribution Schematics - G410, S135, S179 and S407
Ground Distribution Schematics - Splice Pack 1 and 4, S450
Ground Distribution Schematics - G105, S325 and S328
Ground Distribution Schematics - G410, S135, S179 and S407