GM Service Manual Online
For 1990-2009 cars only
Makes
🢒
Cadillac
🢒
2007
🢒
Escalade EXT
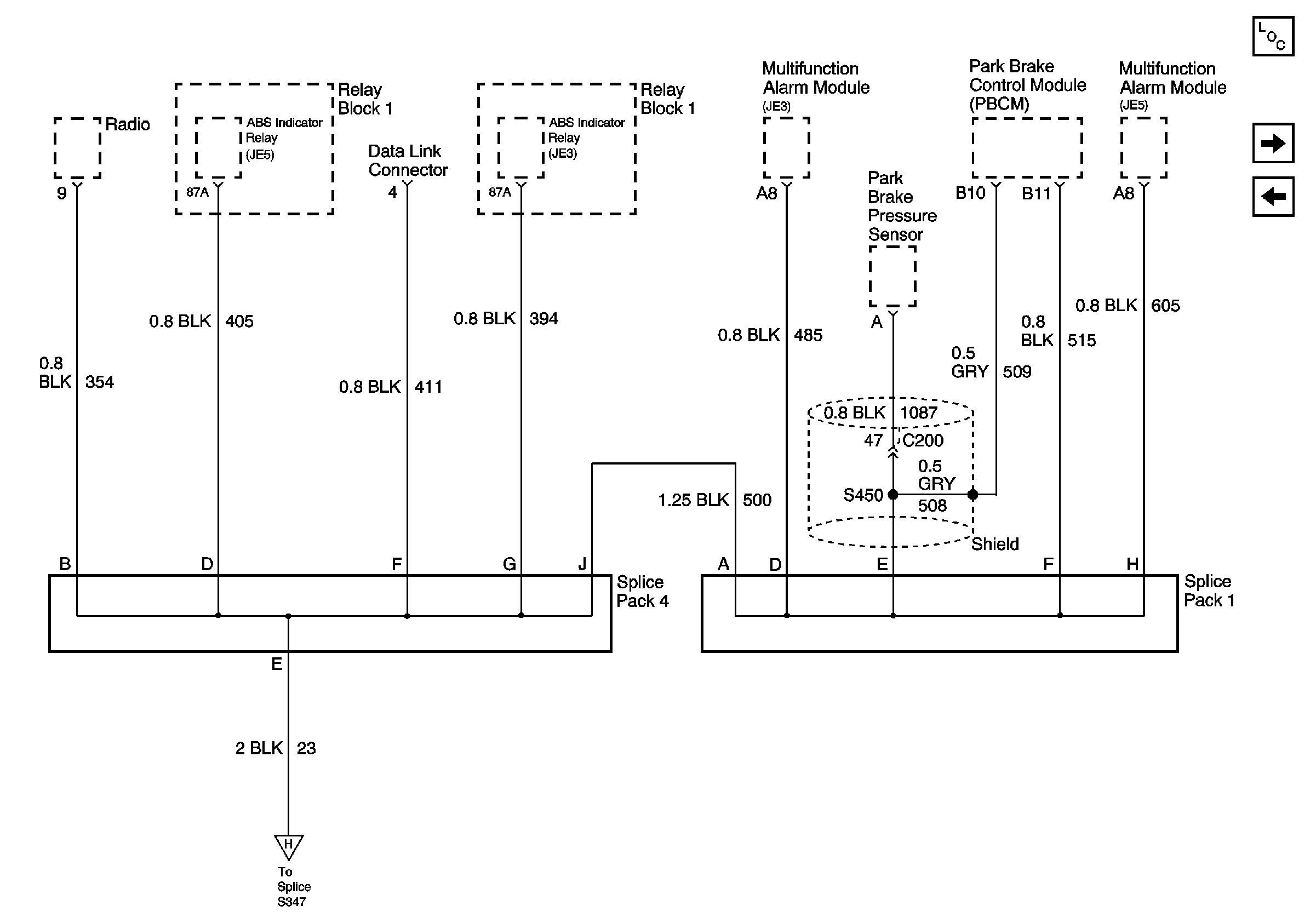
🢒 G105, Splice Pack 1, Splice Pace 4, S450
G105, Splice Pack 1, Splice Pace 4, S450
G105 Continued, Splice Pack 1, Splice Pack 4, S450
Master Electrical Component List
Splice Pack 2
G105, S323, S337, S339, S357, S358
G105, S346, S347, S348, S363