Removal Procedure
Important: An 8-digit identification number is located on the fuel rail. Refer to this identification number when servicing or when part replacement is required.
- Remove the air cleaner outlet duct. Refer to
Air Cleaner Resonator Outlet Duct Replacement
.
- Relieve the fuel system pressure. Refer to
Fuel Pressure Relief
.
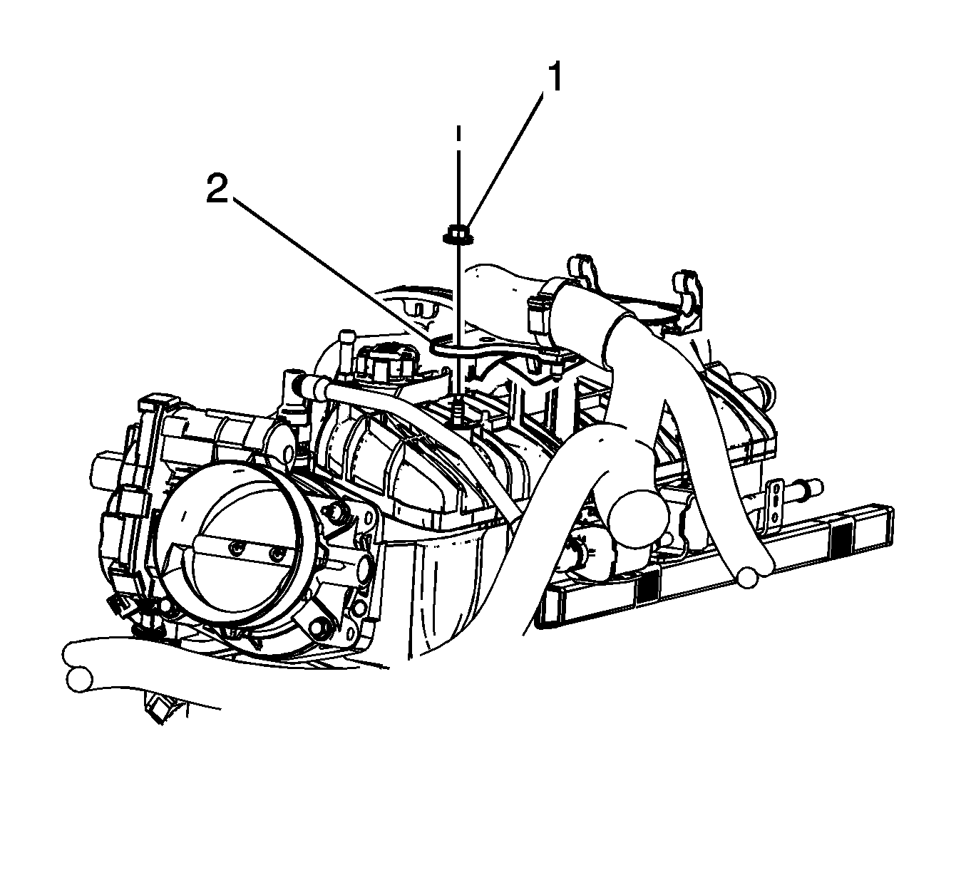
- Remove the engine wiring harness bracket nut (1).
- Disconnect the engine wiring harness electrical connector (2) from the
evaporative emission (EVAP) purge solenoid (3).
- Disconnect the engine wiring harness electrical connector (1) from the manifold absolute pressure (MAP) sensor (4).
- Remove the connector position assurance (CPA) retainer (2).
- Disconnect the engine wiring harness electrical connector (1) from the ignition coil main electrical connector.
- Disconnect the engine wiring harness electrical connectors (3) from the fuel injectors, perform the following:
| 8.1. | Mark the connectors to their corresponding injectors to ensure correct reassembly. |
| 8.2. | Pull the CPA retainer on the connector up 1 click. |
| 8.3. | Push the tab on the connector in. |
| 8.4. | Disconnect the fuel injector electrical connector. |
- Remove the engine wiring harness clip (4) from the ignition coil bracket stud.
- Remove the CPA retainer.
- Disconnect the engine wiring harness electrical connector (1) from the ignition coil main electrical connector.
- Disconnect the engine wiring harness electrical connector (2) from the electronic throttle control.
- Disconnect the engine wiring harness electrical connectors (5) from the fuel injectors, perform the following:
| 13.1. | Mark the connectors to their corresponding injectors to ensure correct reassembly. |
| 13.2. | Pull the CPA retainer on the connector up 1 click. |
| 13.3. | Push the tab on the connector in. |
| 13.4. | Disconnect the fuel injector electrical connector. |
- Remove the engine wiring harness clip (4) from the ignition coil bracket stud.
Important: The auxiliary heater water pump hose and the surge tank outlet hose do not need to be removed from the bracket in order to reposition the bracket.
- Remove the heater hose bracket nut (2) and bracket (1). Reposition the bracket out of the way. Hoses shown removed for clarity.
- Remove the engine wiring harness clip bolt (4).
- Gather the branches of the engine wiring harness and reposition the aside.
- Remove the positive crankcase ventilation (PCV) hose.
- Disconnect the chassis fuel feed pipe (2) quick connect fitting from the fuel rail. Refer to
Metal Collar Quick Connect Fitting Service
.
- Disconnect the EVAP tube quick connect fitting at the intake manifold. Refer to
Plastic Collar Quick Connect Fitting Service
.
- Disconnect the chassis EVAP tube quick connect fitting at the EVAP canister purge solenoid. Refer to
Plastic Collar Quick Connect Fitting Service
.
- Disengage the retainer securing the EVAP canister purge solenoid to the fuel rail.
- Remove the EVAP tube and purge solenoid.
- Remove the fuel rail bolts.
Notice:
| • | Remove the fuel rail assembly carefully in order to prevent damage
to the injector electrical connector terminals and the injector spray tips.
Support the fuel rail after the fuel rail is removed in order to avoid damaging
the fuel rail components. |
| • | Cap the fittings and plug the holes when servicing the fuel system
in order to prevent dirt and other contaminants from entering open pipes and
passages. |
Important:
| • | Before removal, clean the fuel rail with a spray type engine cleaner, such as GM X-30A or equivalent, if necessary. Follow the package instructions. Do not soak the fuel rail in liquid cleaning solvent. |
| • | Lift evenly on both sides of the fuel rail until all injectors are removed from their bores. |
- Remove the fuel rail assembly.
- Remove the fuel injector retainers (1).
- Remove the fuel injectors (3) from the fuel rail.
- Remove and discard the fuel injector upper and lower O-ring seals (2 and 4).
Installation Procedure
- Lubricate the NEW fuel injector O-ring seals with clean engine oil.
- Install the NEW fuel injector upper and lower O-ring seals (2 and 4) onto the injectors.
- Install the fuel injectors (3) into the fuel rails.
- Install the fuel injector retainers (1).
- Ensure the fuel injector lower O-ring seals are adequately lubricated, if not lubricate the fuel injector lower O-ring seals with clean engine oil.
- Position the fuel rail onto the intake manifold.
- Firmly push down on both the centers of the left and right fuel rails, until the rails are fully seated against the intake manifold.
Notice: Refer to Fastener Notice in the Preface section.
Important: Push down firmly on both sides of the rail until all injectors have been seated into their bores.
- Install the fuel rail bolts.
Tighten
Tighten the bolts to 10 N·m (89 lb in).
- Install the EVAP tube and purge solenoid.
- Install the EVAP canister purge solenoid to the fuel rail bracket and engage the retainer.
- Connect the chassis EVAP tube quick connect fitting at the EVAP canister purge solenoid. Refer to
Plastic Collar Quick Connect Fitting Service
.
- Connect the EVAP tube quick connect fitting at the intake manifold. Refer to
Plastic Collar Quick Connect Fitting Service
.
- Connect the chassis fuel feed pipe (2) quick connect fitting to the fuel rail. Refer to
Metal Collar Quick Connect Fitting Service
.
- Install the PCV hose.
- Gather the branches of the engine wiring harness and position over the top of the engine.
- Position the engine wiring harness clip and install the clip bolt (4).
Tighten
Tighten the bolt to 9 N·m (80 lb in).
- Position and install the heater hose bracket (1) to the ignition coil bracket stud. Hoses shown removed for clarity.
- Install the heater hose bracket nut (2).
Tighten
Tighten the nut to 9 N·m (80 lb in).
- Connect the engine wiring harness electrical connector (1) to the ignition coil main electrical connector.
- Install the CPA retainer.
- Connect the engine wiring harness electrical connector (2) to the electronic throttle control.
- Connect the engine wiring harness electrical connectors (5) to the fuel injectors, perform the following:
| 22.1. | Ensure that the CPA retainer is pulled out 1 click. |
| 22.2. | Connect the electrical connectors to their corresponding injectors. |
| 22.3. | Push the CPA retainer in 1 click. |
| 22.4. | Ensure that the connector is secured. |
- Install the engine wiring harness clip (4) to the ignition coil bracket stud.
- Connect the engine wiring harness electrical connector (1) to the ignition coil main electrical connector.
- Install the CPA retainer (2).
- Connect the engine wiring harness electrical connectors (3) to the fuel injectors, perform the following:
| 26.1. | Ensure that the CPA retainer is pulled out 1 click. |
| 26.2. | Connect the electrical connectors to their corresponding injectors. |
| 26.3. | Push the CPA retainer in 1 click. |
| 26.4. | Ensure that the connector is secured. |
- Install the engine wiring harness clip (4) to the ignition coil bracket stud.
- Connect the engine wiring harness electrical connector (1) to the MAP sensor (4).
- Connect the engine wiring harness electrical connector (2) to the EVAP purge solenoid (3).
- Install the engine wiring harness bracket nut (1).
Tighten
Tighten the nut to 5 N·m (44 lb in).
- Connect the negative battery cable. Refer to
Battery Negative Cable Disconnection and Connection
.
- Use the following procedure in order to inspect for leaks:
| 32.1. | Turn the ignition ON, with the engine OFF for 2 seconds. |
| 32.2. | Turn the ignition OFF for 10 seconds. |
| 32.3. | Turn the ignition ON, with the engine OFF. |
- Install the air cleaner outlet duct. Refer to
Air Cleaner Resonator Outlet Duct Replacement
.