GM Service Manual Online
For 1990-2009 cars only
Makes
🢒
Cadillac
🢒
2008
🢒
Escalade EXT
🢒
Diagnostic Navigation
🢒
Vehicle Diagnostic Information
🢒 Video System Schematics
Figure
1:
Display Power and Ground
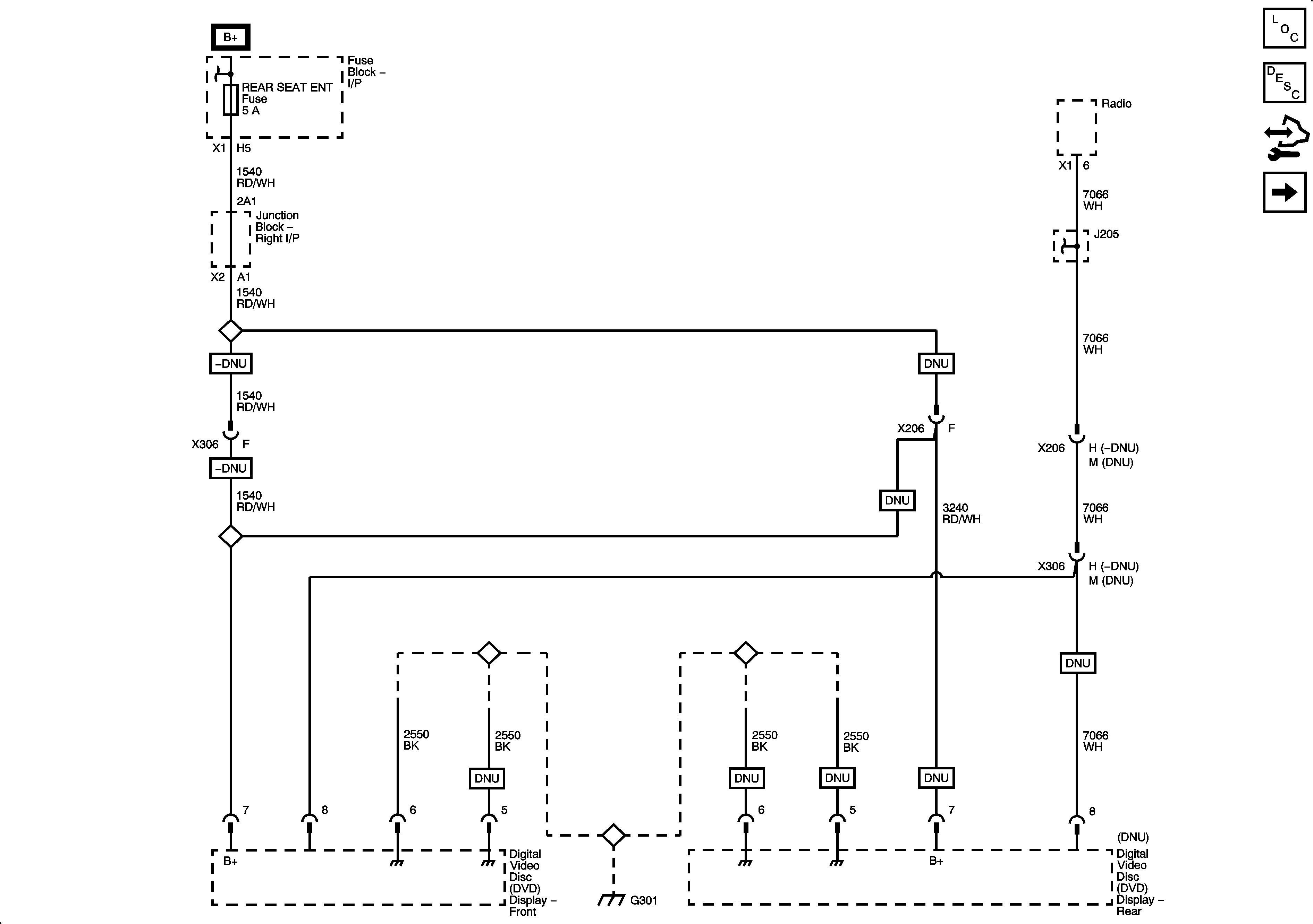
Master Electrical Component List
Video Entertainment System Description and Operation (Non-Headrest DVD Systems)
Control Module References
Video Signals
LCK 1, LCK 2, UNLCK 1, UNLCK 2, INFO, and REAR SEAT ENT Fuses
G301
Figure
2:
Video Signals
Master Electrical Component List
Video Entertainment System Description and Operation (Non-Headrest DVD Systems)
Control Module References
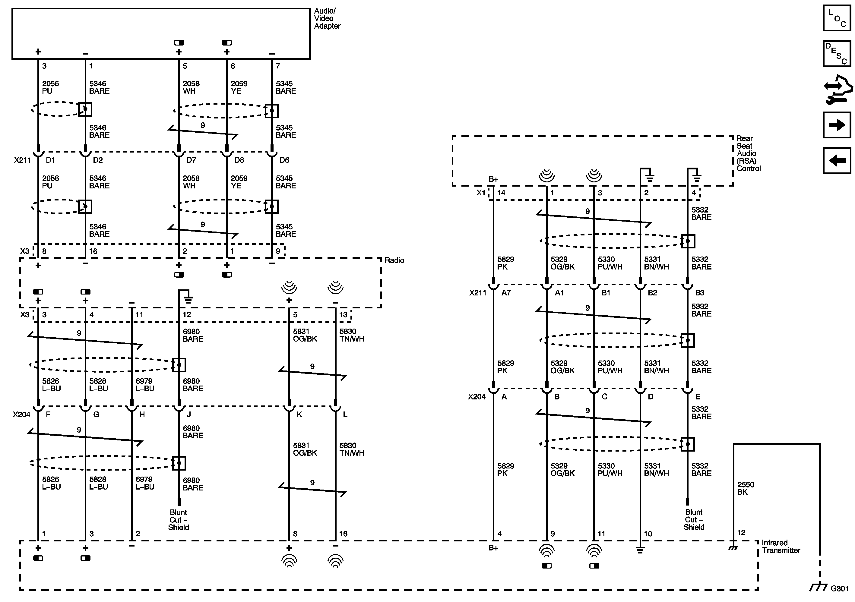
Audio Signals
Display Power and Ground
Amplifier Inputs - UQA or UQS
Figure
3:
Audio Signals
Master Electrical Component List
Video Entertainment System Description and Operation (Non-Headrest DVD Systems)
Control Module References
Dual DVD Headrest System
Video Signals
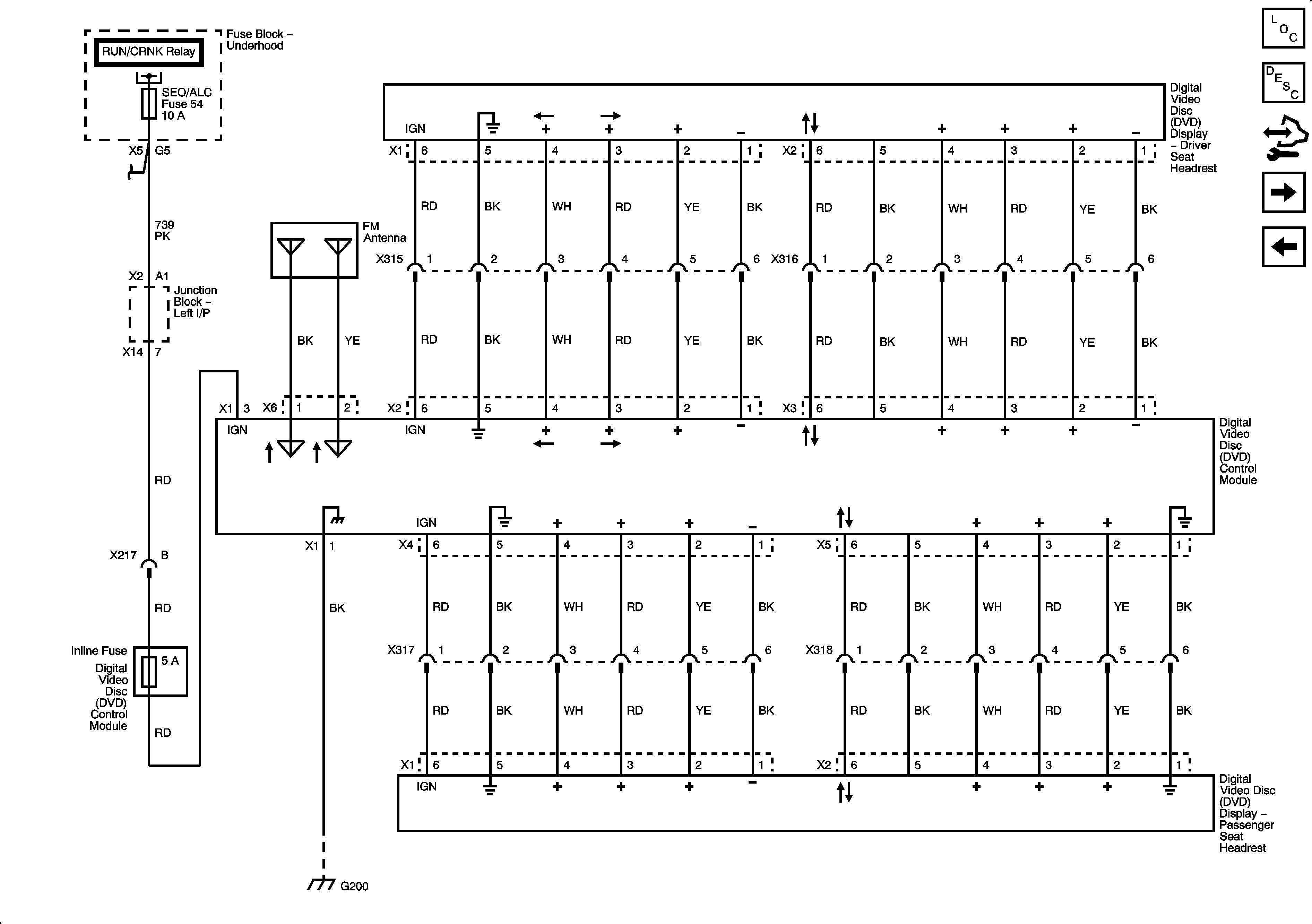
Figure
4:
Dual DVD Headrest System
Master Electrical Component List
Video Entertainment System Description and Operation (Non-Headrest DVD Systems)
Control Module References
Module Power, Ground, and Serial Data
Audio Signals
RUN/CRANK Bus - AIRBAG IGN, MISC IGN and SEO/ALC Fuses
G200 - 1 of 2
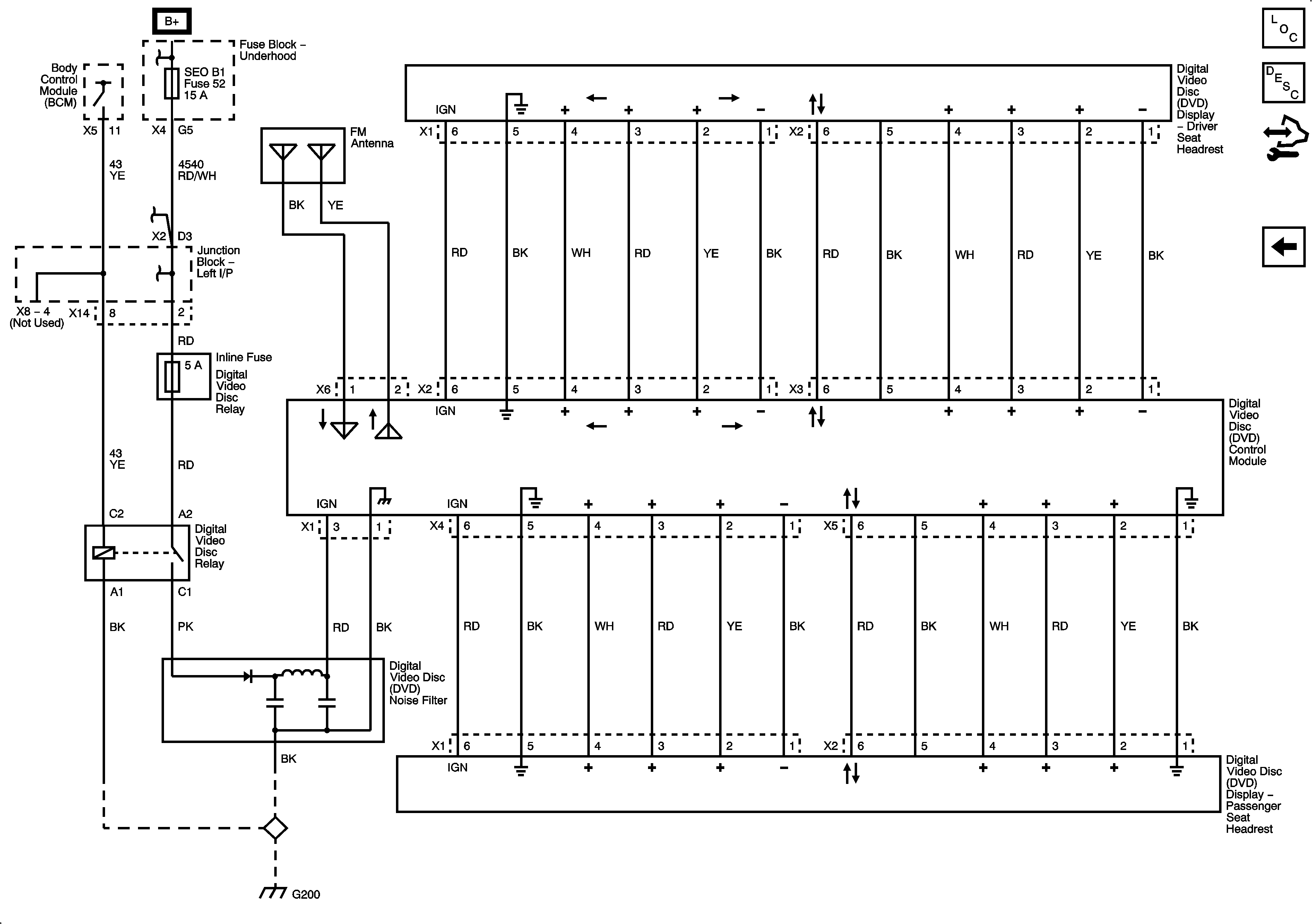
Figure
5:
Dual DVD Headrest System - AYE
Master Electrical Component List
Video Entertainment System Description and Operation (Non-Headrest DVD Systems)
Control Module References
Dual DVD Headrest System
AIRBAG, SEO B1, and SEO B2 Fuses
G200 - 1 of 2