GM Service Manual Online
For 1990-2009 cars only
Makes
🢒
Cadillac
🢒
2008
🢒
Escalade EXT
🢒
Diagnostic Navigation
🢒
Vehicle Diagnostic Information
🢒 Wiper/Washer Schematics
Figure
1:
Front
BCM, COOLED SEATS, CTSY, DDM, DIM, DSM, LBEC 1, MBEC 1, REAR HVAC, and RT STOP TRN Fuses and DRIVER SEAT 2, PASS SEAT 1, and RT DOORS Circuit Breakers
B+ Bus - 3 of 3
G102, G104, and G108
G201
B+ Bus - 2 of 3
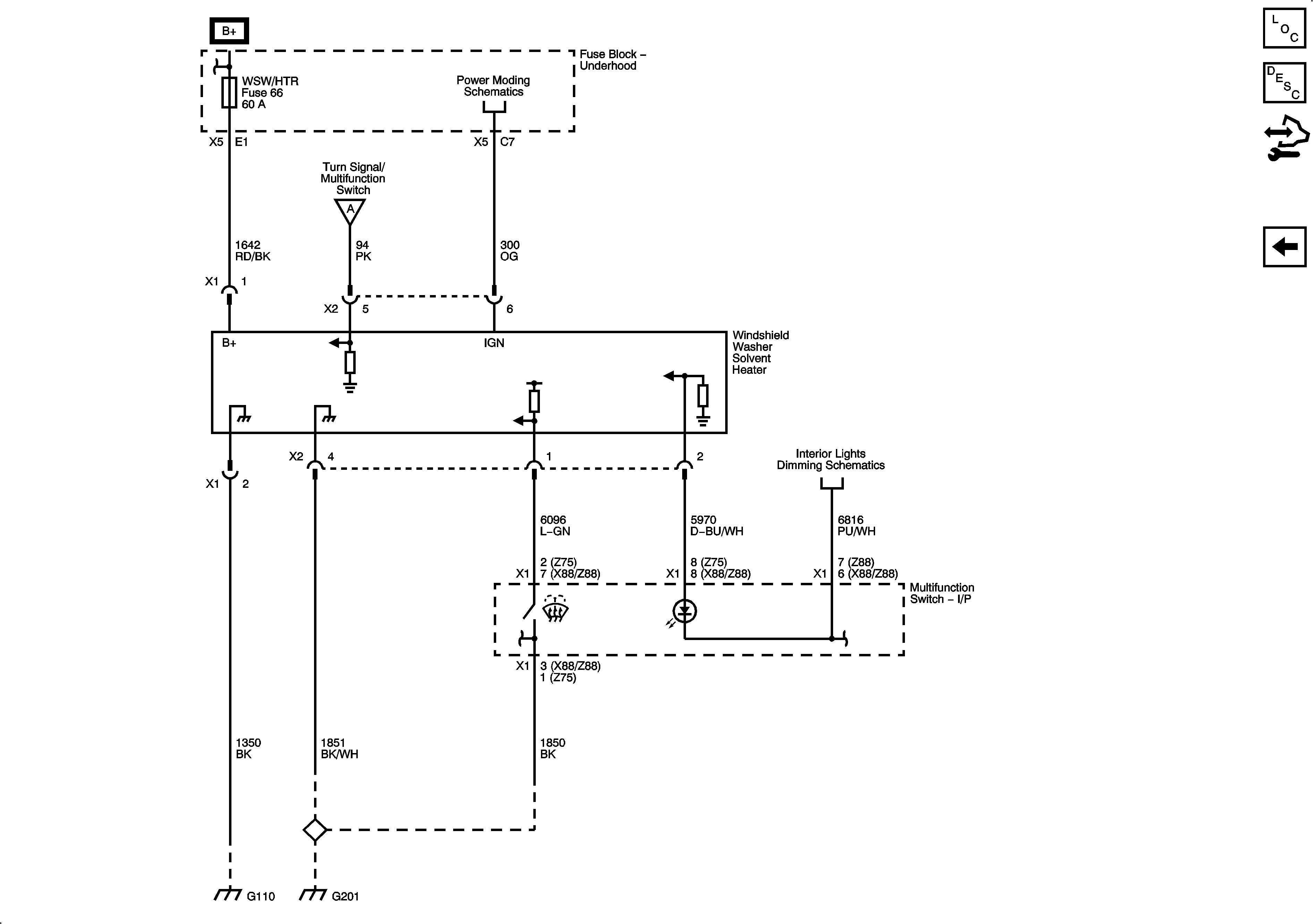
Heated Washer System
Figure
2:
Rear (E52)
Master Electrical Component List
Rear Wiper/Washer System Description and Operation
Control Module References
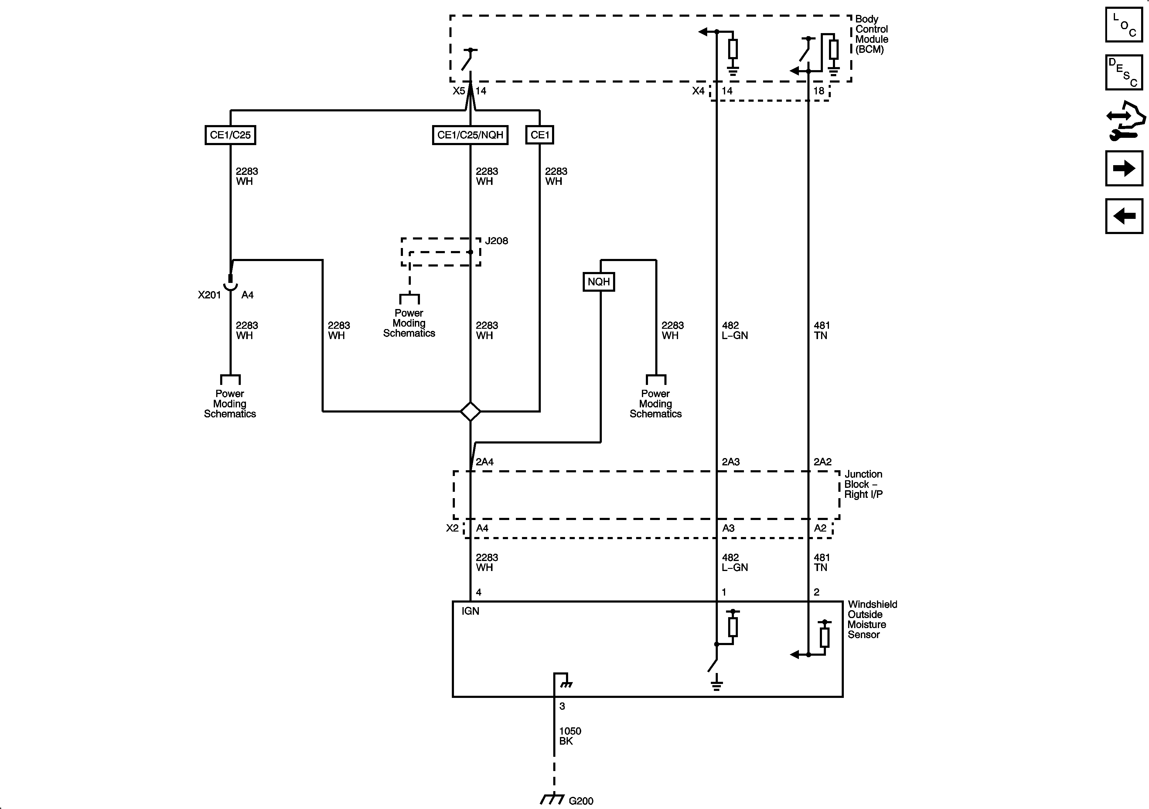
Outside Moisture Sensor
Front
AUX PWR, AUX PWR 2, LBEC 2, PDM, and REAR WPR Fuses
G402 - E52
Ignition 1 Voltage
Ignition 1 Voltage
G102, G104, and G108
G101
Figure
3:
Outside Moisture Sensor
Master Electrical Component List
Wiper/Washer System Description and Operation
Control Module References
Heated Washer System
Rear (E52)
Ignition 1 Voltage
Ignition 1 Voltage
Ignition 1 Voltage
G200 - 1 of 2
Figure
4:
Heated Washer System
Master Electrical Component List
Wiper/Washer System Description and Operation
Control Module References
Outside Moisture Sensor
ABS-1, ABS 2, HEAVY DUTY ABS, HVAC BLWR, STUD 1, STUD 2, and WFHS Fuses
Ignition 3 and Accessory Voltage
Front
LED Dimming - 3 of 3
G103, G110 and G111
G201