GM Service Manual Online
For 1990-2009 cars only
Makes
🢒
Cadillac
🢒
2008
🢒
Escalade EXT
🢒
Safety and Security
🢒
Object Detection
🢒 Object Detection Schematics
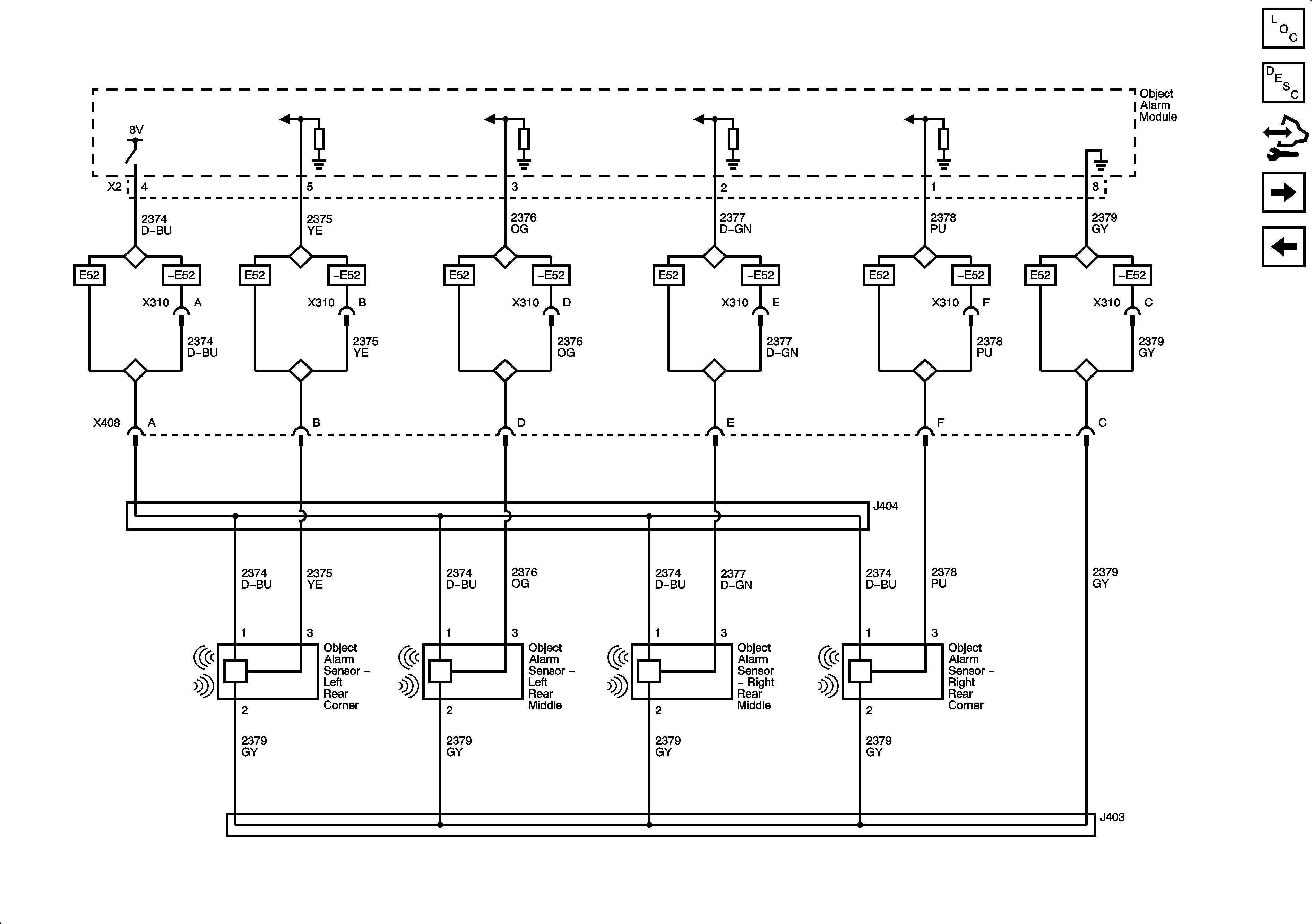
Figure
1:
Rear Object Sensing (UD7)
Master Electrical Component List
Object Detection Description and Operation
Control Module References
Rear Object Sensors (UD7)
IS LAMPS, LT STOP TRN, OBS DET, REAR SEAT, and STOP LAMPS Fuses and LT DR Circuit Breaker
Low Speed Bus - JX200 - 3 of 3 and JX300
LED Dimming - 3 of 3
G300, G302, G311, G312, G313, and G314
G201
Figure
2:
Rear Object Sensors (UD7)
Master Electrical Component List
Object Detection Description and Operation
Control Module References
Rear Video Camera - 1 of 2 - UVC
Rear Object Sensing (UD7)
Figure
3:
Rear Vision Camera - UVC
Master Electrical Component List
Object Detection Description and Operation
Control Module References
SPO Accessory Rear Vision Camera
Rear Object Sensors (UD7)
RUN/CRANK Bus - AIRBAG IGN, MISC IGN and SEO/ALC Fuses
Backup Lamps
G300, G302, G311, G312, G313, and G314
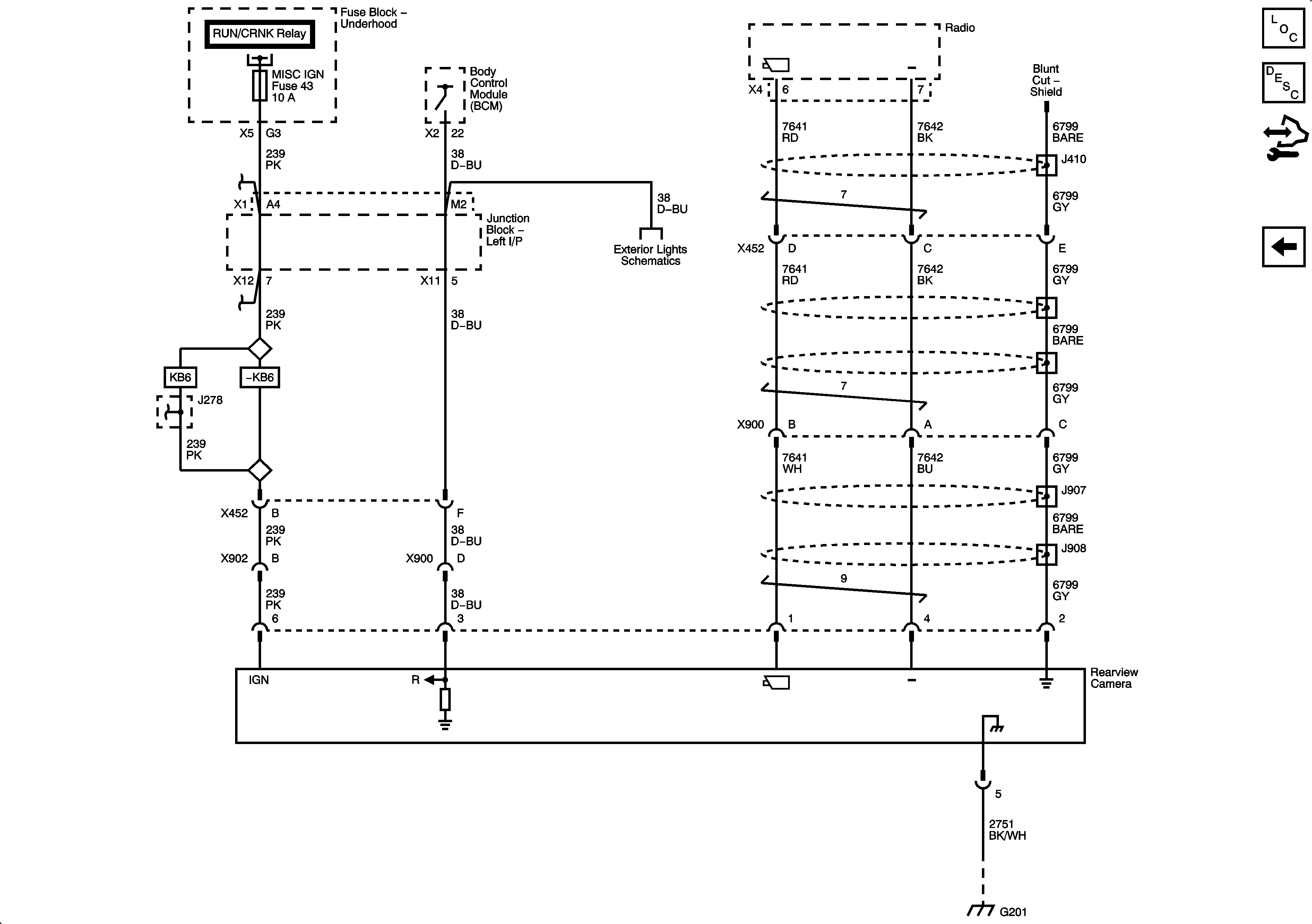
Figure
4:
SPO Accessory Rear Vision Camera
Master Electrical Component List
Object Detection Description and Operation
Control Module References
Rear Video Camera - 1 of 2 - UVC
RUN/CRANK Bus - AIRBAG IGN, MISC IGN and SEO/ALC Fuses
Backup Lamps
G201